ИТП индивидуальный тепловой пункт что это такое?
Что такое индивидуальный тепловой пункт (ИТП)
Индивидуальный тепловой пункт предназначен для экономии тепла, регулирования параметров снабжения. Это комплекс, располагающийся в отдельном помещении. Может эксплуатироваться в частном или многоквартирном доме. ИТП (индивидуальный тепловой пункт), что это такое, как устроен и функционирует, рассмотрим подробнее. 
ИТП: задачи, функции, назначение
По определению ИТП — тепловой пункт, обогревающий здания полностью или отчасти. Комплекс получает энергию из сети (ЦТП, центрального теплового пункта или котельной) и распределяет ее до потребителей:
- ГВС (горячего водоснабжения);
- отопления;
- вентиляции.
При этом имеется возможность регуляции, так как режим обогрева в жилой комнате, подвале, на складе, отличается. На ИТП возлагаются следующие основные задачи.
- Учет расхода тепла.
- Защита от аварий, контроль за параметрами для безопасности.
- Отключение системы потребления.
- Равномерное распределение тепла.
- Регулировка характеристик, управление температурными и другими параметрами.
- Преобразование теплоносителя.
Для установки ИТП здания модернизируются, что обходится недешево, но несет в себе выгоды. Пункт располагают в отдельном техническом или подвальном помещении, пристройке к дому или отдельно расположенном рядом сооружении.
Преимущества наличия ИТП
Значительные расходы на создание ИТП допускаются в связи с преимуществами, которые следуют из наличия пункта в здании.
- Экономичность (по потреблению — на 30%).
- Снижение затрат на эксплуатацию до 60%.
- Расход тепла контролируется и учитывается.
- Оптимизация режимов снижает потери до 15%. Учитывается время суток, выходные дни, погода.
- Тепло распределяется соответственно условиям потребления.
- Расход можно регулировать.
- Вид теплоносителя подлежит изменению в случае необходимости.
- Низкая аварийность, высокая безопасность эксплуатации.
- Полная автоматизация процесса.
- Бесшумность.
- Компактность, зависимость габаритов от нагрузки. Пункт можно разместить в подвале.
- Обслуживание тепловых пунктов не требует многочисленного персонала.
- Обеспечивает комфорт.
- Оборудование комплектуется под заказ.
Управляемый расход тепла, возможность влияния на показатели привлекает в плане экономии, рационального расхода ресурса. Поэтому считается, что затраты окупаются в приемлемый период. 
Виды ТП
Различие ТП — в количестве и видах систем потребления. Особенности типа потребителя предопределяют схему и характеристики требуемого оборудования. Отличается способ монтажа и расстановки комплекса в помещении. Выделяют следующие виды.
- ИТП для единственного здания или его части, расположенный в подвале, техническом помещении или рядом стоящем сооружении.
- ЦТП — центральный ТП обслуживает группу зданий или объектов. Располагается в одном из подвалов или отдельном сооружении.
- БТП — блочный тепловой пункт. Включает один или несколько блоков, изготовленных и поставленных на производстве. Отличается компактным монтажом, применяется для экономии места. Может выполнять функцию ИТП или ЦТП.
Принцип работы
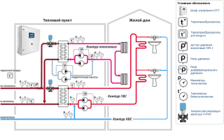
Схема конструкции зависит от источника энергии и специфики потребления. Наиболее популярная — независимая, для закрытой системы ГВС. Принцип работы ИТП следующий.
- Носитель тепла приходит в пункт по трубопроводу, отдавая температуру подогревателям отопления, ГВС и вентиляции.
- Теплоноситель идет в обратный трубопровод на теплогенерирующее предприятие. Используется повторно, но часть может быть израсходована потребителем.
- Потери тепла восполняются подпитками, имеющимися в ТЭЦ и котельных (подготовка воды).
- В тепловую установку поступает водопроводная вода, проходя через насос для холодного водоснабжения. Часть ее идет потребителю, остальное нагревается подогревателем 1 ступени, направляясь в контур ГВС.
- Насос ГВС перемещает воду по кругу, проходя через ТП, потребителя, возвращается с частичным расходом.
- Подогреватель 2 ступени действует регулярно при потере жидкостью тепла.
Теплоноситель (в данном случае — вода) движется по контуру, чему способствуют 2 циркуляционных насоса. Возможны его утечки, которые восполняет подпитка из первичной тепловой сети.
Принципиальная схема
Та или иная схема ИТП имеет особенности, зависящие от потребителя. Важен центральный поставщик тепла. Самый распространенный вариант — закрытая система ГВС с независимым присоединением отопления. В ТП по трубопроводу поступает носитель тепла, реализуется при подогреве воды для систем и возвращается. Для возврата имеется обратный трубопровод, идущий к магистрали на центральный пункт — предприятие по генерации тепла.
Отопление и ГВС устроено в виде контуров, по которым с помощью насосов перемещается носитель тепла. Первый принято проектировать, как замкнутый цикл с возможными утечками, восполняемыми из первичной сети. А второй контур — циркулярный, снабженный насосами для ГВС, подающий воду к потребителю для расходования. При потере тепла нагрев осуществляется второй нагревательной ступенью.
ИТП для разных целей потребления
Будучи оборудованным для отопления, ИТП имеет независимую схему, в которой установлен пластинчатый теплообменник со 100% нагрузкой. Потери давления предотвращается установкой сдвоенного насоса. Подпитка осуществляется от обратного трубопровода в тепловых сетях. Дополнительно ТП комплектуется приборами учета, блоком ГВС при наличии других необходимых узлов.
ИТП, предназначенный для ГВС — это независимая схема. Кроме того, она параллельная и одноступенчатая, укомплектованная двумя пластинчатыми теплообменниками, нагруженными по 50%. Есть насосы, компенсирующие снижение давления, приборы учета. Предполагается наличие других узлов. Подобные теплопункты функционируют по независимой схеме.
Это интересно! Принцип осуществления теплофикации для отопительной системы может быть основан на пластинчатом теплообменнике со 100% нагрузкой. А ГВС имеет двухступенчатую схему с двумя аналогичными устройствами, нагруженными на 1/2 каждый. Насосы различного назначения компенсируют снижающееся давление и подпитывают систему из трубопровода.
Для вентиляции применяют пластинчатый теплообменник со 100% нагрузкой. ГВС обеспечивается двумя такими устройствам, нагруженными на 50%. Посредством работы нескольких насосов компенсируется уровень давления и делается подпитка. Дополнение — устройство учета.
Этапы установки
ТП здания или объекта при установке проходит поэтапную процедуру. Одного лишь желания жильцов в многоквартирном здании недостаточно.
- Получение согласия собственников помещений жилого здания.
- Заявка теплоснабжающим компаниям на проектирование в конкретном доме, разработка техзадания.
- Выдача технических условий.
- Обследование жилого либо иного объекта под проект, определение наличия и состояния оборудования.
- Автоматический ТП будут проектировать, разрабатывать и утверждать.
- Заключается договор.
- Проект ИТП жилого дома либо иного объекта реализуется, проводятся испытания.
Внимание! Все этапы можно реализовать за пару месяцев. Забота возлагается на ответственную специализированную организацию. Для успеха компания должна быть хорошо зарекомендована.
Безопасность эксплуатации
Автоматический теплопункт имеет обслуживание с работниками должной квалификации. Персонал знакомят с правилами. Есть и запреты: автоматика не запускается при отсутствии воды в системе, насосы не включают, если на вводе перекрыта запорная арматура.
Требуется контролировать:
- параметры давления;
- шумы;
- уровень вибрации;
- нагрев двигателя.
Регулирующий клапан нельзя подвергать чрезмерному усилию. Если система под давлением, регуляторы не разбирают. Перед пуском промывают трубопроводы.
Допуск к эксплуатации
Эксплуатация комплексов АИТП (автоматизированных ИТП) требует оформления допуска, для чего в Энергонадзор предоставляется документация. Это техусловия подключения и справка об их исполнении. Нужны:
- согласованная проектная документация;
- акт ответственности по эксплуатированию, балансу принадлежности от сторон;
- акт готовности;
- теплопункты должны иметь паспорт с параметрами теплоснабжения;
- готовность устройства учета тепловой энергии — документ;
- справка о наличии договора с энергокомпанией по обеспечению теплоснабжения;
- акт приемки работ от компании, производящей монтаж;
- Приказ, назначающий ответственного за техобслуживание, исправность, ремонт и безопасность АТП (автоматизированного теплового пункта);
- список лиц, отвечающих за обслуживание установок АИТП и их ремонт;
- копия документа о квалификации сварщика, сертификаты на электроды и трубы;
- акты по иным действиям, исполнительная схема объекта автоматизированный теплопункт, включающая трубопроводы, арматуру;
- акт по опрессовке, промывке отопления, ГВС, которые включает автоматизированный пункт;
- инструктаж.
Составляется акт допуска, заводятся журналы: оперативный, по инструктажу, выдаче нарядов, обнаружению дефектов.
ИТП многоквартирного дома
Автоматизированный индивидуальный тепловой пункт в многоэтажном жилом здании транспортирует тепло от ЦТП, котельных или ТЭЦ (теплоэлектроцентраль) к отоплению, ГВС и вентиляции. Подобные новшества (автоматический тепловой пункт) сберегают до 40% и более тепловой энергии.
Внимание! Система использует источник — тепловые сети, к которым подключается. Необходимости согласования с этими организациями.
Множество данных требуется для расчетов режимов, нагрузки и результатов экономии для оплаты в ЖКХ. Без этой информации проект не будет выполнен. Без согласования ИТП не выдадут допуск к эксплуатации. Жильцы приобретают следующие выгоды.
- Большая точность работы аппаратов по поддержанию температуры.
- Подогрев производится с расчетом, включающим состояние наружного воздуха.
- Снижаются суммы за услуги по счетам ЖКХ.
- Автоматизация упрощает обслуживание объектов.
- Снижаются затраты на ремонт, численность персонала.
- Экономятся финансы на потребление тепловой энергии от централизованного поставщика (котельных, ТЭЦ, ЦТП).
Итог: как происходит экономия
Тепловой пункт системы отопления снабжают узлом учета при вводе, что является залогом экономии. С приборов снимают показания по расходу тепла. Сам учет не снижает расходы. Источник экономии — возможность смены режимов и отсутствие завышения показателей со стороны энергоснабжающих компаний, точное их определение. Невозможно будет списать на подобного потребителя дополнительные издержки, утечки, расходы. Окупаемость происходит в сроки 5 месяцев, как среднее значение с экономией до 30%.
Автоматизирована подача теплоносителя от централизованного поставщика — теплотрассы. Монтаж современного узла отопления и вентиляции позволяет учитывать при эксплуатации сезонные и суточные температурные изменения. Режим коррекции — автоматический. Теплопотребление уменьшается на 30% при окупаемости от 2 до 5 лет.
Тепловой пункт индивидуальный ИТП схема, принцип работы, эксплуатация

Принцип работы
Схема конструкции зависит от источника энергии и специфики потребления. Наиболее популярная — независимая, для закрытой системы ГВС. Принцип работы ИТП следующий.
- Носитель тепла приходит в пункт по трубопроводу, отдавая температуру подогревателям отопления, ГВС и вентиляции.
- Теплоноситель идет в обратный трубопровод на теплогенерирующее предприятие. Используется повторно, но часть может быть израсходована потребителем.
- Потери тепла восполняются подпитками, имеющимися в ТЭЦ и котельных (подготовка воды).
- В тепловую установку поступает водопроводная вода, проходя через насос для холодного водоснабжения. Часть ее идет потребителю, остальное нагревается подогревателем 1 ступени, направляясь в контур ГВС.
- Насос ГВС перемещает воду по кругу, проходя через ТП, потребителя, возвращается с частичным расходом.
- Подогреватель 2 ступени действует регулярно при потере жидкостью тепла.
Теплоноситель (в данном случае — вода) движется по контуру, чему способствуют 2 циркуляционных насоса. Возможны его утечки, которые восполняет подпитка из первичной тепловой сети.
Виды ТП
Различие ТП — в количестве и видах систем потребления. Особенности типа потребителя предопределяют схему и характеристики требуемого оборудования. Отличается способ монтажа и расстановки комплекса в помещении. Выделяют следующие виды.
- ИТП для единственного здания или его части, расположенный в подвале, техническом помещении или рядом стоящем сооружении.
- ЦТП — центральный ТП обслуживает группу зданий или объектов. Располагается в одном из подвалов или отдельном сооружении.
- БТП — блочный тепловой пункт. Включает один или несколько блоков, изготовленных и поставленных на производстве. Отличается компактным монтажом, применяется для экономии места. Может выполнять функцию ИТП или ЦТП.
Основные неисправности элеваторного узла
Даже такое простое устройство, как элеваторный узел, может работать неправильно. Неисправности можно определить путем анализа показаний манометров в контрольных точках элеваторного узла:
- Неисправности часто вызываются засорением трубопроводов грязью и твердыми частичками в воде. Если наблюдается падение давления в системе отопления, которое до грязевика значительно выше, то эта неисправность вызвана засорение грязевика, который стоит в подающем трубопроводе. Грязь сбрасывается через спускные каналы грязевика, очищают сетки и внутренние поверхности устройства.
- Если скачет давление в системе отопления, то возможными причинами может быть коррозия или засорение сопла. Если произойдет разрушение сопла, то давление в расширительном баке отопления может превысить допустимое.
- Возможен случай, при котором растет давление в системе отопления, а манометры до и после грязевика в «обратке» показывают разные значения. В таком случае нужно чистить грязевик «обратки». Открываются сливные краны на нем, чистится сетка, и удаляются загрязнения изнутри.
- При изменении размеров сопла из-за коррозии происходит вертикальное разрегулирование контура отопления. Внизу батареи будут горячие, а на верхних этажах недостаточно нагретые. Замена сопла на сопло с расчетной величиной диаметра устраняет подобную неисправность.
Зачем нужен тепловой узел
Тепловой пункт находится на вводе теплотрассы в дом. Главное его назначение — изменение параметров теплоносителя. Если говорить понятнее, то тепловой узел снижает температуру и давление теплоносителя перед тем как он попадет в ваш радиатор или конвектор. Нужно это не только для того, чтобы вы не обожглись от прикосновения к прибору отопления, но и для продления срока службы всего оборудования системы отопления
Особенно это важно, если внутри дома отопление разведено при помощи полипропиленовых или металлопластиковых труб. Существуют регламентированные режимы работы тепловых узлов:
Эти цифры показывают максимальную и минимальную температуру теплоносителя в теплотрассе.
Также, по современным требованием на каждом тепловом узле должен быть установлен прибор учета тепла. Теперь перейдем к устройству тепловых узлов.
Документы для Энергонадзора
Чтобы успешно был проведен допуск в эксплуатацию, в службу Энергонадзора предоставляются следующий пакет бумаг:
- техусловия, справка по подключению установки энергоснабжающей организацией;
- проект, согласования;
- акты – ответственности, готовности системы, приёмки выполненных работ, скрытые работы, промывке системы, допуска к безопасному эксплуатированию;
- паспорт ИТП;
- справка о готовности пункта;
- справка о том, что с энергоснабжающим предприятием заключено соглашение;
- перечень лиц, ответственных за обслуживание и ремонт системы;
- приказ о том, что назначен ответственное лицо, прикрепленное за ИТП;
- свидетельство специалиста сварочных работ (копия);
- сертификаты качества на комплектующие и элементы;
- инструкции должностей по обеспечению пожарной и эксплуатационной безопасности;
- инструкция по эксплуатации пункта;
- журнал КИПа, где отмечаются наряды, допуски, дефекты и иное;
- наряд на подключение тепловых сетей к ИТП.
Квалификация у обслуживающего персонала ИТП должна быть обязательно, но не требуется её высокий уровень. Поэтому все операторы, допускаемые к использованию и содержанию пункта, проходят обучение. В период перекрытой системы водоподачи насосы запускать не разрешается. Показатели манометров следует регулярно наблюдать, отслеживать порог давления, регулировать по схеме и инструкции
Также крайне важно не допускать перегрева электродвигателей, повышенного уровня вибраций, шума. Перекрывая клапаны, чрезмерных усилий делать не нужно, разбирать регуляторы во время скачка давления строго воспрещается
Перед эксплуатацией система внутри должна быть промыта.
Основные этапы проектирования ЦТП
Разводка тепла в ЦТП
Неотъемлемой частью капитального строительства или реконструкции центрального теплового пункта является его проектирование. Под ним понимаются комплексные поэтапные действия, направленные на расчет и создание точной схемы теплового пункта, получение необходимых согласований у снабжающей организации. Также проектирование ЦТП включает в себя рассмотрение всех вопросов, непосредственно связанных с конфигурацией, функционированием и обслуживанием оборудования для теплового пункта.
На начальном этапе проектирования ЦТП производится сбор необходимых сведений, которые в последующем необходимы для проведения расчетов параметров оборудования. Для этого сначала устанавливается общая длина коммуникаций трубопроводов. Эта информация для проектировщика представляет особую ценность. Кроме того, в сбор сведений входит информация о температурном режиме здания. Эти сведения в последующем необходимы для правильной настройки оборудования.
При проектировании ЦТП необходимо указывать меры безопасности эксплуатации оборудования. Для этого нужна информация о структуре всего здания – расположение помещений, их площадь и прочие необходимые сведения.
Согласование в соответствующих органах.
Все документы, которые включает в себя проектирование ЦТП, обязательно должны быть согласованы с муниципальными эксплуатационными органами
Для быстрого получения положительного результата важно грамотно составить всю проектную документацию. Поскольку реализация проекта и сооружение центрального теплового пункта производится только после того, как процедура согласования будет окончена
В противном случае требуется доработка проекта.
Документация по проектированию ЦТП кроме непосредственно самого проекта должна содержать пояснительную записку. Она содержит необходимые сведения и ценные указания для монтажников, которые будут осуществлять установку центрального теплопункта. В пояснительной записке указывается порядок выполнения работ, их последовательность и необходимые инструменты для монтажа.
Составление пояснительной записки – заключительный этап. Этим документом заканчивается проектирование ЦТП. Монтажники в своей работе обязательно должны следовать указаниям, изложенным в пояснительной записке.
При тщательном подходе к разработке проекта ЦТП и правильном расчете необходимых параметров и режимов работы удается добиться безопасной работы оборудования и его продолжительной безупречной работы. Поэтому важно учитывать не только номинальные показатели, но также и запас мощности.
Это крайне важный аспект, поскольку именно запас мощности позволит сохранить пункт подачи тепла в рабочем состоянии после аварии или возникновения внезапной перегрузки. Нормальное функционирование теплового пункта напрямую зависит от правильно составленных документов.
Как устроен тепловой узел
Вообще, техническое устройство каждого теплового пункта проектируется отдельно в зависимости от конкретных требований заказчика. Существует несколько основных схем исполнения тепловых пунктов. Давайте рассмотрим их по очереди.
Тепловой узел на основе элеватора.
Схема теплового пункта на основе элеваторного узла является наиболее простой и дешевой. Главный ее недостаток — невозможность регулировать температуру теплоносителя в трубах. Это вызывает неудобства у конечного потребителя и большой перерасход тепловой энергии в случае оттепелей во время отопительного сезона. Давайте посмотрим ниже на рисунок и разберемся в том, как работает эта схема:
Кроме того, что указано выше, в составе теплового узла может быть редуктор понижения давления. Он устанавливается на подаче перед элеватором. Элеватор является главной деталью этой схемы, в которой осуществляется подмешивание остывшего теплоносителя из «обратки» к горячему теплоносителю из «подачи». Принцип работы элеватора основан на создании разряжения на его выходе. В результате этого разряжения, давление теплоносителя в элеваторе оказывается меньше, чем давление теплоносителя в «обратке» и происходит смешение.
Тепловой узел на основе теплообменника.
Тепловой пункт, подключенный через специальный теплообменник позволяет разделять теплоноситель из теплотрассы от теплоносителя внутри дома. Разделение теплоносителей позволяет производить его подготовку при помощи специальных присадок и фильтрации. При такой схеме появляются широкие возможности в регулировании давления и температуры теплоносителя внутри дома. Это позволяет снизить затраты на отопление. Для того, чтобы иметь наглядное представление о такой конструкции посмотрите ниже на рисунок.
Подмешивание теплоносителя в таких системах делается при помощи термостатических клапанов. В таких системах отопления в принципе можно применять алюминиевые радиаторы отопления, но долго они прослужат только при хорошем качестве теплоносителя. Если PH теплоносителя будет выходить за рамки одобренные производителем, то срок службы алюминиевых радиаторов может сильно сократиться. Качество теплоносителя вы контролировать не можете, поэтому лучше перестраховаться и установить биметаллические или чугунные радиаторы.
ГВС может быть подключена подобным образом через теплообменник. Это дает такие же преимущества по части регулирования температуры и давления горячей воды. Стоит сказать, что недобросовестные управляющие компании могут обманывать потребителей при помощи занижения температуры горячей воды на пару градусов. Для потребителя это почти не заметно, но в масштабах дома позволяет экономить десятки тысяч рублей в месяц.
Условные обозначения схем и как их читать

На рисунке выше изображена принципиальная схема теплового узла с подробным описанием всех составляющих элементов.
Индивидуальный тепловой пункт (ИТП): состав системы и применение
К индивидуальным тепловым пунктам (ИТП) относят – отдельно стоящие небольшие здания или отведённые изолированно помещения, в которых располагаются разные элементы оборудования, подающего тепло в здания (точки потребления).
- подключиться к централизованной сети теплоподачи, водоснабжению, электричеству;
- использовать разные теплоносители;
- модифицировать структуру в любое время;
- управлять уровнем потребления тепловой энергии;
- выставлять режимы.
Такие установки показывают высокую работоспособность, длительные сроки эксплуатации и удобство. Электропитание необходимо для работы насосных установок.
Что входит в общие задачи системы
Предназначение индивидуального теплопункта состоит в выполнении целого ряда задач и функций.
Направленность использования заключается в том, чтобы обеспечивать помещения:
- хорошей вентиляцией;
- горячей водой;
- нагревом помещений жилых домов, коммунальных администраций, а также – производственных предприятий, организаций и целых комплексов.
Задачами является следующее – ИТП должен:
- Учитывать, сколько расходует тепла и его носителя.
- Защищать тепловую систему от переизбытка теплоносителя в параметрах. В противном случае это может повлечь за собой аварийные ситуации.
- Своевременно отключать работу потребительских систем.
- Равномерно распределять внутри системы прохождение теплоносителя.
- Осуществлять контрольно-регулировочные функции над жидкостью, циркулирующей по трубам и радиаторам.
- Обеспечивать успешное преобразование одного теплоносителя в другой вид. Например, сделать переход из воды к антифризу или пропиленгликолю.
Если говорить о малых вариантах установок, то они вполне годятся для обслуживания жилого дома на одну среднюю семью, либо маленького здания под офис, контору и прочее. Когда речь заходит о крупномасштабных сооружениях, то они уже подают тепло для многоквартирных домов и больших зданий. Такие пункты и мощность имеют большую 50 кВт – 2 МВт.
Преимущества индивидуальных тепловых пунктов
К плюсам слаженной работы автоматизированного преобразователя ИТП относят:
- Очевидную экономию в денежных тратах – на 40-60% меньше только одних расходов на содержание и использование установки.
- Сниженное потребление тепловой энергии на 30%, если сравнить неавтоматизированными пунктами.
- Точность наладки режимов доводит сокращение теплопотерь до 15%.
- Бесшумность в работе.
- Компактность в монтаже и её связь с нагрузкой. Например, агрегатная система производительностью до 2 Гкал/ч будет иметь место по площади всего 25-30 кв.м.
- Удобство размещения – можно оборудовать подвальное помещение любого здания.
- Автоматизация рабочего процесса, что приводит к сокращению численности персонала.
- У обслуживающих операторов не обязательно должна быть высокая квалификация в должности.
- Возможность выставлять оптимальные режимы в разные дни – праздники, выходные, в периоды сложностей погодных условий.
Такие пункты эффективно сберегают энергию, служат средством для обеспечения в помещении комфорта. Производители часто выпускают такие системы под заказ, что позволяет их максимально удобно спроектировать в индивидуальном порядке.
Учётные приборы
Прибор для учёта позволяют правильно рассчитать объемы потребляемой тепловой энергии, которые необходимы для расчетного взаимодействия между предприятием, подающим услуги и абонентом, их потребляющим. Это исключает риск завышения значений нагрузки поставщиками тепла. Приборы учета нужны для следующих операций:
- Создание комфортных отношений компании с клиентами-абонентами в виде точных взаиморасчетов.
- Ведение в документальной форме истории рабочих параметров системы (давление, расход теплоносителя, и температура).
- Рациональное использование всей энергоподающей системы – гидравлика, тепловой режим и контроль над этим.
Прибор учёта имеет следующую комплектацию:
- счетчик;
- манометр и танометр;
- преобразователи – на расход и подачу;
- фильтр (сетчато-магнитный).
- Считывающее устройство включают и снимают показания.
- Проводят анализ.
- Выясняют причин сбоев.
- Проверяют пломбы на целостность.
- Снова делают анализ.
- Проверяют и сравнивают показания температур посредством термометров на трубопроводах.
- Проверка контактов заземления.
- Дополнение масла в гильзах.
- Очищение фильтров и иных участков от грязи и пыли.

Конструктивная схема
- учётный прибор;
- ввод от теплосети;
- точки для подключения – вентиляции, отопления, горячей воды;
- область для согласования давления между уровнями снабжения и потребления;
- независимая схема запитывания от отопления или вентиляции (подбирается в качестве дополнительной комплектации).
Виды ИПТ по типу систем потребления тепловой энергии
Системы можно использовать стандартные, а можно сделать комбинированными. Так классические варианты подбора систем обеспечения теплом заключаются в следующей комплектации к общей схеме ИТП:
- Функция отопления.
- Подача горячей воды.
- Совмещение двух функций – отопления и горячего водоснабжения (ГВС).
- Совмещение подачи горячей воды и теплой вентиляции.
Тип схемы – независимая:
— пластинчатый теплообменник с 100-процентной нагрузкой;
— запитывание от обратного трубопровода теплосети.
— блок горячей воды;
— учетные приборы и иные узлы.
Тип схемы – параллельная, одноступенчатая:
— теплообменник – 2 шт. по 50% нагрузки, пластинчатые;
— группа насосных установок.
— учетные приборы и прочее.
Тип схемы отопления – независимая, для ГВС – независимая, двухступенчатая:
— пластинчатый теплообменник с 100-процентной нагрузкой;
— запитывание из обратного трубопровода теплосети насосом;
— пластинчатых теплообменника 2 (для ГВС);
— запитывание от холодного водоснабжения (для ГВС).
По желанию заказчика
Отопление + ГВС + Вентиляция
Схемы независимые, ГВС – независимая и параллельная, 1-ступенчатая:
— для вентиляции встроен пластинчатый теплообменник с нагрузкой 100%;
— для ГВС – 2 теплообменника пластинчатых по 50% нагрузки на каждый;
— группа насосных установок;
— запитывание – обратный трубопровод и холодная вода для ГВС.
По какому принципу функционирует пункт
Самая распространенная схема подключения ИТП – это независимая отопительная и независимая закрытая система ГВС. Принцип работы для индивидуального объекта теплоподачи заключается в следующих процессах:
- Подающий трубопровод снабжает пункт теплоносителем, который, в свою очередь, отдаёт тепловую энергию подогревателям и вентиляции.
- Далее носитель устремляется к обратному трубопроводу, а затем, для повторного использования на магистраль предприятия, где происходит первичная тепловая генерация.
- Какой объем теплоносителя расходуется точками потребления, чтобы восполнять потери тепла.
- Вода (холодная) из водопровода течет через насос по трубам. Потом часть нагревается и перетекает в циркуляционный контур ГВС, часть отдается точкам потребления.
- Горячая вода, циркулируя по системе, постепенно нагревает емкости (радиаторы, трубы), которые и отдают тепло.

Документы для Энергонадзора
Чтобы успешно был проведен допуск в эксплуатацию, в службу Энергонадзора предоставляются следующий пакет бумаг:
- техусловия, справка по подключению установки энергоснабжающей организацией;
- проект, согласования;
- акты – ответственности, готовности системы, приёмки выполненных работ, скрытые работы, промывке системы, допуска к безопасному эксплуатированию;
- паспорт ИТП;
- справка о готовности пункта;
- справка о том, что с энергоснабжающим предприятием заключено соглашение;
- перечень лиц, ответственных за обслуживание и ремонт системы;
- приказ о том, что назначен ответственное лицо, прикрепленное за ИТП;
- свидетельство специалиста сварочных работ (копия);
- сертификаты качества на комплектующие и элементы;
- инструкции должностей по обеспечению пожарной и эксплуатационной безопасности;
- инструкция по эксплуатации пункта;
- журнал КИПа, где отмечаются наряды, допуски, дефекты и иное;
- наряд на подключение тепловых сетей к ИТП.
Квалификация у обслуживающего персонала ИТП должна быть обязательно, но не требуется её высокий уровень. Поэтому все операторы, допускаемые к использованию и содержанию пункта, проходят обучение. В период перекрытой системы водоподачи насосы запускать не разрешается. Показатели манометров следует регулярно наблюдать, отслеживать порог давления, регулировать по схеме и инструкции. Также крайне важно не допускать перегрева электродвигателей, повышенного уровня вибраций, шума. Перекрывая клапаны, чрезмерных усилий делать не нужно, разбирать регуляторы во время скачка давления строго воспрещается. Перед эксплуатацией система внутри должна быть промыта.
Индивидуальный тепловой пункт
- Зачем нужен проект ИТП?
- Примеры внедрения
- Частые вопросы
- Заказать консультацию
Что такое ИТП в жилом доме?
Индивидуальный тепловой пункт (ИТП) – это устройство, предназначенное для транспортировки тепловой энергии от тепловой сети (ТЭЦ, ЦТП, котельной) к внутридомовым системам: отопление, ГВС – горячее водоснабжение, вентиляция. Располагается, как правило, в подвальном или техническом помещении дома.

Важно понимать:
- 1 Современные автоматизированные ИТП на основе пластинчатых теплообменников позволяют сэкономить до 40% тепловой энергии, по сравнению со старыми неавтоматизированными (бойлерными) ИТП. Как достигается экономия — читайте ниже.
- 2 ИТП присоединяется к тепловым сетям, поэтому любая модернизация или реконструкция теплового пункта многоквартирного дома требует согласования с теплоснабжающими организациями (владельцами тепловых сетей).
- 3 Первый и обязательный шаг к экономии тепловой энергии — установка узла учета (УУТЭ). Такой узел устанавливается на вводе тепловых сетей в ИТП и с него снимаются показания о фактическом расходе тепла.
Оборудование для ИТП
Чаще всего в состав ИТП входят:
- теплообменники (осуществляют передачу тепла);
- запорная и регулирующая арматура;
- насосы;
- контрольно-измерительные приборы;
- контроллеры;
- щиты электроуправления;

Если вам нужна подробная консультация по оборудованию для теплового пункта, Вы сможете заказать её, нажав на кнопку ниже:
Как ИТП экономит деньги?
Экономить в масштабе всего здания на сокращении потребления тепла крайне выгодно, особенно в российских условиях. К первоочередным мерам, связанным с организацией теплоснабжения многоквартирного дома, относятся:
Сам по себе учет не является методом снижения теплопотребления. Но как показывает практика, установка таких приборов позволяет получить значительный экономический эффект. Очень часто энергоснабжающие компании завышают расчетные значения тепловых нагрузок или списывают на потребителя дополнительные издержки и расходы (утечки из труб, естественное понижение температуры теплоностителя на участках теплотрасс).
Замена узла системы отопления на современный позволяет регулировать подачу теплоты в систему отопления (вентиляции) в зависимости от температуры наружного воздуха с возможностью суточной коррекции и коррекции для выходных и праздничных дней в автоматическом режиме.
Реконструкция индивидуального теплового пункта с переходом на закрытую систему теплоснабжения здания позволяет обеспечить экономию благодаря регулировке параметров подачи теплоносителя в местную систему отопления (особенно в отопительный сезон за счет исключения перетопов 2-3 кВт/куб.м в год).
Регулирует теплоотдачу системы отопления согласно суточному графику, т.е. ночью насос не работает, но быстро обеспечивает нужные параметры воды утром
Стоимость внедрения ИТП включает в себя:
Примеры стоимости
Установка ИТП для ГВС и отопления в 17 этажном доме
Установка ИТП для ГВС и отопления в 9 этажном доме
Расчет окупаемости реконструкции
теплового пункта в МКД
Для ознакомительного расчета окупаемости индивидуального теплового пункта воспользуйтесть онлайн-калькулятором, представленным ниже. В качестве базовых заложены следующие параметры: экономия от узла учета 20%, экономия от внедрения средств автоматизации 30%.

Потребление тепловой энергии в год:

Стоимость 1 Гкал тепловой энергии:

Стоимость 1 Гкал тепловой энергии:

Проектирование теплового пункта для многоквартирного дома
Проект ИТП – технический документ, на основании которого производится согласование с тепловыми сетями (ТС), производится закуп оборудования, монтаж, наладка и сдача в эксплуатацию.
Основные этапы проектирования
- получение ТУ (технических условий), которые выдают теплоснабжающие организации;
- утвержденное ТЗ (техническое задание на проектирование);
- договор на проектирование;
- проект (разделы ТМ, АТМ, УУТЭ);
- согласование проекта с теплоснабжающей организацией, которая выдала ТУ.
Примеры внедрения
В структуре платежей за жилое помещение и коммунальные услуги расходы на воду, тепло, электричество составляют 40-50 процентов. Потому мероприятия по ресурсосбережению – один из главных путей для увеличения скудного бюджета дома (а для капитальных ремонтов, которые сейчас начинаются по всей России, возможно, что и самое приоритетное направление).
Понятно, что наибольший успех такие мероприятия будут иметь в домах, где этим активно занимаются сами жильцы. Иными словами, где существуют товарищества, жилищные кооперативы, территориальные общины, домкомы и т.д. Именно коллективы – союзы единомышленников – успешнее всего решают поставленные задачи.
Фотографии реализованных проектов


















Что мы предлагаем
Часто задаваемые вопросы
Выяснение ситуации. Рассмотрим пример: Заказчик хочет заменить кожухотрубный подогреватель ГВС на пластинчатый в ИТП жилого дома. Выяснить кто является поставщиком тепла… Если тепловые сети, то необходимо для замены получить ТЕХНИЧЕСКИЕ УСЛОВИЯ на реконструкцию ИТП в теплоснабжающей организации. Чтобы получить ТУ необходимо написать заявление в теплоснабжающей организации.
Далее заказчик получает ТУ, на основании ТУ — мы выставляем КП на проектирование «Реконструкция ИТП (замена кожухотрубного подогревателя ГВС на пластинчатый)». Затем если заказчика устраивает стоимость, мы готовим договор на проектирование+техническое задание на проектирование — подписываем. Далее идет стадия проектирования, проект выдаем заказчику, он идет в тепловые сети его согласовывать, если есть замечания, то тепловые сети в писменном виде выдают заказчику, он пересылает их нам, мы устраняем замечания, он снова идет в тепловые сети и получает согласование проект — синий штамп на проекте о том, что СОГЛАСОВАНО. Далее мы выставляем КП на поставку оборудования, если стоимость устраивает, заказчик преобретает у нас оборудование. Следующая стадия монтаж: 1 вар. мы выставляем КП на монтаж 2 вар. сторонняя организация выставляет КП. Далее ведется монтаж ИТП по проекту! Затем заказчик приглашает на объект представителя теплоснабжающей организации, ведется приемка, специалист сверяет фактическое исполнение ИТП спроектным, выносит список замечаний (если они есть), замечания устраняются, монтаж ИТП согласован! Ввод в эксплуатацию!
Современные ИТП – полностью автоматизированные, на основе пластинчатых теплообменных аппаратов, с высокой точностью, поддерживают температуру теплоносителя в зависимости от температуры наружного воздуха, тем самым позволяют экономить жителям до 40% тепловой энергии, по сравнению со старыми не автоматизированными ИТП (бойлерными), которые данный момент морально и физически устарели.
ИТП экономит ресурсы, благодаря уменьшению счетов за коммунальные услуги и упрощению технического обслуживания зданий. Экономический эффект, который обеспечивает автоматизация теплового пункта – снижение затрат на ремонт оборудования и здания на авариях, уменьшение энергопотребления, сокращение численности обслуживающего персонала, экономия материальных средств потребителя тепловой энергии за пользование теплоносителем.
БТП — Блочный тепловой пункт — 1вар. — это компактная тепломеханическая установка полной заводской готовности, расположенная (размещенная) в блок-контейнере, который представляет собой цельнометаллический несущий каркас с ограждениями из сэндвич-панелей.
ИТП в блок-контейнере применяется для присоединения систем отопления, вентиляции, горячего водоснабжения и технологических теплоиспользующих установок целого здания или его части.
БТП — Блочный тепловой пункт — 2вар. Изготавливается в заводских условиях и поставляется для монтажа в виде готовых блоков. Может состоять из одного или нескольких блоков. Оборудование блоков монтируется очень компактно, как правило, на одной раме. Обычно используется при необходимости экономии места, в стесненных условиях. По характеру и количеству подключенных потребителей БТП может относиться как к ИТП, так и к ЦТП. Поставка оборудования ИТП по спецификации — теплообменники, насосы, автоматика, запорно-регулирующая арматура, трубопроводы и т.д. — поставляется отдельными позициями.
+ БТП — это изделие полной заводской готовности, что дает возможность подключить реконструируемые или вновь строящиеся объекты к тепловым сетям в наиболее короткие сроки. Компактность БТП способствует минимизации площади размещения оборудования. Индивидуальный подход к проектированию и монтажу блочных индивидуальных тепловых пунктов позволяют учесть все пожелания клиента и воплотить их в готовый продукт. гарантия на БТП и все оборудование от одного производителя, один сервисный партнер на весь БТП. простота монтажа БТП на месте установки. Изготовление и проверка БТП в заводских условиях — качество. Так же стоит отметить, что при массовой, квартальной застройке или объемной реконструкции тепловых пунктов – применение БТП предпочтительнее по сравнению с ИТП. Так как в этом случае необходимо в короткий период времени смонтировать значительное количество тепловых пунктов. Такие масштабные проекты возможно реализовать в максимально короткие сроки применяя только типовые БТП заводской готовности.
+ ИТП (сборка) — возможность монтажа теплового пункта в стесненных условиях, нет необходимости осуществлять перевозку теплового пункта в сборе. Перевозка только отдельных компонентов. Срок поставки оборудования значительно меньше, чем БТП. Стомость ниже. -БТП — необходимость транспортировки БТП к месту монтажа (транспортные расходы), размеры проемов для проноса БТП накладывают ограничения на габаритные размеры БТП. Сроки поставки от 4-недель. Цена.
— ИТП — гарантия на разные компоненты теплового пункта от разных производителей; несколько разных сервисных партнеров для различного оборудования, входящего в состав теплового пункта; выше стоимость монтажных работ, сроки монтажных работ,Т. е. при монтаже ИТП учитываются индивидуальные особенности конкретного помещения и «творческие» решения конкретного исполнителя работ, что с одной стороны упрощает организацию процесса, а с другой — может снизить качество. Ведь сварной шов, изгиб трубопровода и т. д. по «месту» качественно выполнить намного сложнее, чем в заводских условиях.
Принцип работы индивидуального теплового пункта (ИТП) в многоквартирном доме в 2020 году

В настоящее время для каждого жильца многоквартирного дома принципиальным является вопрос экономии затрат на услуги ЖКХ. Снизить их можно не только при помощи систематического учета количества потребляемых ресурсов, но и посредством выбора объекта недвижимости с современными инженерными коммуникациями. Уменьшить расход энергии и при этом обеспечить оптимальный температурный режим в помещении зимой, позволяет специальное устройство. Рассмотрим, что такое индивидуальный тепловой пункт (ИТП) как оптимальный вариант экономии коммунальных услуг.
Основные задачи ИТП

Это модульная установка, работающая в автономном режиме и осуществляющая передачу тепла от ТЭЦ (котельной) к системе отопления дома. На самом деле устройство выполняет целый ряд функций, которые существенно повышают качество жизни в многоэтажке. Чтобы до конца разобраться в том, что такое ИТП в многоквартирном доме, нужно понять, что эта установка позволяет сделать. А именно:
- регулировать температуру воды в системе ГВС в автономном режиме, а также в системе отопления с учетом предусмотренного графика;
- подключать системы горячего водоснабжения и отопления в доме к наружным коммуникациям;
- обеспечивать защиту системы отопления от перепадов давления в тепловой сети.
Насосы, коллекторы, трубопроводы, контрольно-измерительные приборы, терморегуляторы – основные составляющие ИТП.
Преимущества наличия индивидуального теплового пункта
Модульная установка предоставляет жильцам целый арсенал выгодных преференций. К ним относятся:
- автономный режим работы (минимизация количества обслуживающего персонала);
- снижение расходов на содержание установки (от 40 до 60%);
- сокращение затрат на оплату теплоэнергии (до 30%);
- удобство монтажа;
- низкий уровень шума при функционировании;
- уменьшение теплопотерь до 15% за счет отсутствия ошибок при наладке режимов;
- возможность привлечения работников с более низкой квалификацией;
- улучшение качества теплоносителя.
Автоматика ИТП позволяет жильцам МКД не беспокоиться о том, будет ли в их квартирах оптимальный температурный режим в отопительный сезон. Однако монтаж модульной установки потребует существенных инвестиций, но спустя некоторое время они окупаются за счет экономии поставляемого ресурса.
Какие существуют виды
В основе классификации ИТП лежат критерии, определяющие характеристики, схему, предназначение, способ монтажа модульной установки. Центральный тепловой пункт – это установка, функционирование которой распространяется на несколько объектов недвижимости. Как правило, она устанавливается в подвальном или отдельном помещении. Также существуют:
- индивидуальный ТП (обслуживает одно здание или его часть);
- блочный ТП (поставляется в собранном виде, обладает компактностью, упрощает процесс обновления инженерных коммуникаций).
Теплоузлы также различаются по мощности: малые (до 40 кВт), средние (от 40 до 50 кВт), большие (от 50 кВт до 2 МВт).
Особенности работы
Изначально холодная вода поступает в ИТП из центральной водопроводной системы. Затем жидкость разделяется на три потока:
- поступает в квартиры в холодном состоянии.
- подогревается и попадает в жилые помещения.
- замкнутый контур/система отопления (посредством насосов в квартиры поставляется тепло, часть из которого утрачивается в период циркуляции).

При помощи ИТП многоквартирный дом круглосуточно обеспечивается теплом, а его потребление оплачивается по ИПУ. Холодная вода в модульной установке нагревается посредством теплообменника. После повышения температуры она поступает посредством насосов в систему отопления МКД и в сеть ГВС. Для обеспечения максимальной работоспособности устройства необходимо своевременно осуществлять техническое обслуживание ИТП. Последнее может производиться с различной периодичностью (внепланово, раз в неделю/месяц/год) в зависимости от специфики работ.
Читайте также:
ИТП для разных целей использования
Являясь модульной установкой, теплоузел оснащен независимой схемой, в которую вмонтирован теплообменник, изготовленный на основе графитовых, медных или стальных пластин (нагрузка – 100%). Оптимальное давление поддерживает сдвоенный насос. Подпитка обеспечивается в тепловых сетях. Дополнительными составляющими ИТП независимой схемы являются блок ГВС и приборы учета.
Существуют теплоузлы, специально устанавливаемые для горячего водоснабжения. Они функционируют по одноступенчатой схеме, включающей в себя 2 устройства, нагрузка на которые распределяется в процентном соотношении 50/50. Установка оснащена ПУ и насосами, предотвращающими потерю давления.
Теплообменник с нагрузкой 100% применяется и для вентиляции. Повышение температуры жидкости обеспечивается за счет 2-х устройств с одинаковой мощностью (50/50). Закрытая система ГВС позволяет нагревать жидкость, поступающую из водопровода, в сетевом теплообменнике. В открытых – забор горячей воды происходит непосредственно из теплосети.
Схема
Существенная часть многоквартирных домов предусматривает закрытую систему ГВС. Горячее водоснабжение и отопление представляют собой отдельные контуры, по которым при помощи насосов поставляется теплоноситель. Принципиальная схема ИТП значительно минимизирует утечки ресурса, что позволяет снизить объем его потребления.
Процедура установки

Перед монтажом теплоузла предстоит провести целый ряд подготовительных действий:
- положительное решение, принятое на общем собрании собственников (жильцов дома);
- обращение в ресурсоснабжающую организацию с заказом на подготовку специалистами технического задания, его получение;
- инициирование проектного обследования (для определения состояния и перечня ранее установленных агрегатов);
- создание (в специализированной компании, имеющей лицензию) и утверждение соответствующего проекта;
- заключение договора подряда.
Только после указанных действий можно приступать к монтажу модульной установки и производить пусконаладочные работы ИТП. Заниматься ими должна организация, которая имеет опыт и право проводить подобные работы.
Работа автоматизированного индивидуального теплового пункта в многоквартирном доме
ИТП является связующим звеном между ТЭЦ (котельной) и каждой квартирой в МКД. В результате жильцы обеспечиваются теплом и горячей водой. Причем модульная установка функционирует благодаря подключению к тепловым сетям. ИТП дает возможность платить меньше за поставляемые ресурсы, но величина экономии зависит от степени нагрузки и режима работы устройства. Указанные факторы в обязательном порядке учитываются в проектной документации, иначе индивидуальный тепловой пункт в многоквартирном доме может не дать ожидаемого сокращения затрат на оплату услуг ЖКХ.
Безопасность эксплуатации
В работе по обслуживанию теплоузла задействуются исключительно лица, обладающие достаточным уровнем квалификации. Последние должны безукоризненно знать правила эксплуатации ИТП и уметь применять их на практике. Также важно соблюдать технику безопасности при обращении с модульной установкой. В частности:
- необходимо систематически анализировать показатели входного и выходного давления;
- запрещается эксплуатировать насосы при отсутствии воды;
- следует реагировать на посторонние шумы/вибрацию и перегрев мотора при работе с агрегатами;
- не разрешается разбирать регуляторы, если система находится под давлением.
Приведенный список не является исчерпывающим.
Подготовка необходимой документации

Для легального монтажа ИТП необходимо представить сотрудникам Ростехнадзора определенный перечень бумаг. К ним относятся:
- проект;
- ТУ;
- документ, подтверждающий подключение к сетям ресурсоснабжающей организации;
- паспорт теплового пункта;
- акты выполненных работ;
- соглашение на поставку тепла;
- сертификаты, доказывающие качество оборудования и комплектующих;
- приказ о назначении ответственного за обслуживание модульной установки лица;
- должностные инструкции тех специалистов, кто будет обеспечивать эксплуатацию и безопасность работы оборудования.
На заключительном этапе заводятся журналы, в которых фиксируются наряды допуска, дефекты и пр. В отдельном указываются лица, ознакомленные с техникой безопасности при работе с ИТП.
От каких факторов зависит стоимость
Цена оборудования, в большинстве случаев, определяется количеством тепловых пунктов. Один объект недвижимости могут обслуживать сразу несколько ИТП. Еще один критерий, влияющий на стоимость теплоузла, – потенциальная мощность. Чем больше ватт вырабатывает установка, тем она дороже. Окончательная цена ИТП может быть сформирована после подготовки проектной документации.
Итоги
Ожидается, что в будущем теплоузлы станут использоваться в МКД повсеместно, поскольку модульная установка действительно экономит средства жильцов, направляемые на оплату услуг ЖКХ. Также ИТП дает возможность поддерживать оптимальную температуру воздуха в помещениях с учетом режима энергосбережения. Период окупаемости теплоузла не превышает 6 месяцев.
