ГОСТ 283 75 гвозди проволочные технические условия
1. ТЕХНИЧЕСКИЕ ТРЕБОВАНИЯ
круглого сечения — из низкоуглеродистой стальной термически необработанной проволоки без покрытия по ГОСТ 3282-74 или из проволоки по другой нормативно-технической документации;
фасонного сечения — из низкоуглеродистой стальной термически необработанной проволоки без покрытия по нормативно-технической документации.
(Измененная редакция, Изм. № 1, 2).
1.2. (Исключен, Изм. № 1).
Предельные отклонения условного диаметра стержня и толщины гвоздей фасонного сечения должны соответствовать предельным отклонениям условного диаметра и толщины проволоки фасонного сечения.
1.4. Предельные отклонения на длину гвоздей должны быть равны ± d
(Измененная редакция, Изм. № 4)
1.5. Отклонение от соосности головки относительно стержня не должно быть более:
0,1 мм — для гвоздей диаметром стержня до 1,2 мм включ.;
0,2 мм — для гвоздей диаметром стержня св. 1,2 до 1,8 мм включ.;
0,3 мм — для гвоздей диаметром стержня св. 1,8 до 3,0 мм включ.;
0,5 мм — для гвоздей диаметром стержня св. 3,0 до 4,0 мм включ.;
0,7 мм — для гвоздей диаметром стержня св. 4,0 мм.
1.4, 1.5. (Измененная редакция, Изм. № 1).
1.6. Отклонения от круглости головок не должно быть более:
0,4 мм — для гвоздей диаметром головки до 3,0 мм включ.;
0,5 мм — для гвоздей диаметром головки св. 3,0 до 6,0 мм включ.;
0,9 мм — для гвоздей диаметром головки св. 6,0 до 10,0 мм включ.;
1,1 мм — для гвоздей диаметром головки св. 10,0 мм.
Допускается увеличение отклонения от круглости головок гвоздей фасонного сечения в 1,5 раза и толевых в 1,3 раза по сравнению с гвоздями круглого сечения.
(Измененная редакция, Изм. № 1, 2).
1.7. Торцевая поверхность конической головки строительных и кровельных гвоздей должна быть рифленой, гвоздей прочих видов — гладкой.
1.8. Заостренная часть гвоздя может иметь круглое или квадратное сечение. Угол заострения по граням не должен быть более 40°.
(Измененная редакция, Изм. № 1).
Односторонний равномерный прогиб стержня гвоздя не должен быть более:
0,2 мм — для гвоздей длиной до 30 мм включ.;
0,3 мм — для гвоздей длиной св. 30 до 50 мм включ.;
0,5 мм — для гвоздей длиной св. 50 до 80 мм включ.;
0,7 мм — для гвоздей длиной св. 80 до 120 мм включ.;
1,0 мм — для гвоздей длиной св. 120 мм.
На 2% всех типоразмеров гвоздей партии, кроме тарных, допускается неотпавшая обсечка.
Для формовочных гвоздей допускается незначительное смятие с двух сторон на конце стержня и пятикратное увеличение прогиба по сравнению с указанным для других типоразмеров. По требованию потребителя формовочные гвозди изготовляют с прогибом, величина которого устанавливается по согласованию с изготовителем.
(Измененная редакция, Изм. № 1, 2).
2. ПРАВИЛА ПРИЕМКИ
2.1. Гвозди принимают партиями. Партия должна состоять из гвоздей одного типоразмера и быть оформлена документом о качестве, содержащим:
товарный знак или наименование и товарный знак предприятия-изготовителя;
условное обозначение гвоздя;
Допускается документ о качестве вкладывать в упаковочную единицу.
(Измененная редакция, Изм. № 1).
2.2. Гвозди для контроля должны отбираться методом случайной выборки из разных мест партии.
Размер выборки должен составлять не более 0,5% от партии, но не менее 40 шт.
2.3. Партия считается годной, если в выборке количество изделий с отступлениями от требований настоящего стандарта не превышает 4% с учетом 2% неотпавшей обсечки.
(Измененная редакция, Изм. № 1, 2).
2.4. При получении неудовлетворительных результатов контроля производится повторный контроль на удвоенной выборке. Результаты контроля распространяются на всю партию.
(Измененная редакция, Изм. № 1).
3. МЕТОДЫ КОНТРОЛЯ
3.1. Осмотр гвоздей производится без применения увеличительных приборов. Размеры и расположение поверхностей гвоздей проверяются универсальным измерительным инструментом или калибрами.
Высота головки, радиус под головкой и угол заострения гвоздей не проверяются и должны обеспечиваться технологическим инструментом.
(Измененная редакция, Изм. № 1).

1 — полуматрнца; 2 — обойма
Полуматрицы вставляются в обойму по скользящей посадке. Размер квадратного отверстия а должен быть равен номинальному диаметру стержня гвоздя плюс допустимая величина прогиба согласно п. 1.9 . Допуск на исполнение отверстия а — Н9 по ГОСТ 25347-82. Длина матрицы l должна быть не менее номинальной длины гвоздя.
Гвозди должны входить в отверстие приспособления до насечки без усилия и свободно проворачиваться в отверстии.
Допускается производить контроль прогиба гвоздей другими методами и средствами, аттестованными в установленном порядке.
При разногласиях контроль проводят способом, установленным настоящим стандартом.
(Измененная редакция, Изм. № 1, 2).
3.3. Отклонение от соосности головки относительно стержня должно соответствовать черт. 2 и вычисляться по формуле

3.4. Отклонение от круглости головки гвоздя должно соответствовать черт. 3 и вычисляться по формуле

3.3; 3.4. (Введены дополнительно, Изм. № 1).


4. МАРКИРОВКА, УПАКОВКА, ТРАНСПОРТИРОВАНИЕ И ХРАНЕНИЕ
4.2. Масса брутто каждой упаковочной единицы должна быть не более:
250 кг — при упаковывании в бочки;
1000 кг — при упаковывании в поддоны ящичные металлические;
2150 кг — при упаковывании в ящики деревянные и специализированные контейнеры.
Отклонение от массы нетто гвоздей, указанной на упаковочной единице, не должно быть более:
± 1 % — для массы гвоздей до 1000 кг включ.;
±0,5% — для массы гвоздей св. 1000 кг.
4.1, 4.2. (Измененная редакция, Изм. № 1, 2).
При согласии конкретного потребителя Минторга СССР и Центросоюза допускается до 01.01.92 упаковка гвоздей в ящики массой брутто не более 60 кг, при этом при подъеме и перемещении тяжестей вручную применение женского труда не допускается.
В коробки могут быть упакованы:
1) гвозди одного типоразмера с массой гвоздей в коробке;
от 200 до 1000 г включ. с градацией 50, 100 г для гвоздей длиной 120 мм включ.;
св. 500 до 2000 г включ. с градацией 100 г для гвоздей длиной
св. 70 до 250 мм;
2) набор гвоздей из нескольких типоразмеров, при этом гвозди каждого типоразмера должны быть упакованы в отдельную картонную, пластмассовую или металлическую коробку. Допускается упаковывание гвоздей в секционные коробки. Масса брутто каждого набора должна быть не более 2000 г.
Для мелкого фасования гвоздей в качестве потребительской тары применяются картонные, пластмассовые или металлические коробки по нормативно-технической документации или согласованным чертежам.
Для скрепления картонных ящиков и коробок применяется клеевая лента по ГОСТ 18251-87 или другие средства крепления по нормативно-технической документации. При поставке гвоздей россыпью деревянные ящики из дощечек должны выстилаться бумагой по ГОСТ 8828-89, ГОСТ 515-77 или по другой нормативно-технической документации. Допускается не выстилать ящики бумагой при условии обеспечения невысыпаемости гвоздей при транспортировании.
Групповое упаковывание гвоздей, предварительно расфасованных в потребительскую тару, допускается производить с применением термоусадочной пленки по ГОСТ 25951-83 или по другой нормативно-технической документации с последующим пакетированием на плоских деревянных поддонах по нормативно-технической документации. Масса брутто пакета не должна быть более 1000 кг.
Отклонение от массы нетто гвоздей, предварительно расфасованных в коробки, должны соответствовать приведенным в табл. 2 .
Отклонение от массы нетто гвоздей, %, при фасовании
ГОСТ 283-75 Гвозди проволочные. Технические условия
Текст ГОСТ 283-75 Гвозди проволочные. Технические условия
ГОСТ 283-75
ГВОЗДИ ПРОВОЛОЧНЫЕ
ТЕХНИЧЕСКИЕ УСЛОВИЯ
МЕЖГОСУДАРСТВЕННЫЙ СТАНДАРТ
Wire nails. Specifications
ГВОЗДИ ПРОВОЛОЧНЫЕ Технические условия
МКС 77 140.65 ОКП 12 7100
Дата введения 01.07.77
Настоящий стандарт распространяется на проволочные гвозди круглого и фасонного сечений.
1. ТЕХНИЧЕСКИЕ ТРЕБОВАНИЯ
1.1. Гвозди должны изготовляться в соответствии с требованиями настоящего стандарта по технологическому регламенту, утвержденному в установленном порядке.
— круглого сечения — из низкоуглеродистой стальной термически необработанной проволоки без покрытия по ГОСТ 3282 или из проволоки по нормативно-технической документации (НТД);
— фасонного сечения — из низкоуглеродистой стальной термически необработанной проволоки без покрытия по НТД.
(Измененная редакция, Изм. № 1, 2).
1.2. (Исключен, Изм. № 1).
1.3. Предельные отклонения диаметра стержня гвоздей круглого сечения должны соответствовать требованиям ГОСТ 3282.
Предельные отклонения условного диаметра стержня и толщины гвоздей фасонного сечения должны соответствовать предельным отклонениям условного диаметра и толщины проволоки фасонного сечения.
1.4. Предельные отклонения на длину гвоздей должны быть равны + d.
(Измененная редакция, Изм. № 4).
1.5. Отклонение от соосности головки относительно стержня не должно быть более:
0,1 мм — для гвоздей диаметром стержня до 1,2 мм включ.;
0,2 мм » » » » св. 1,2 до 1,8 мм включ.;
0,3 мм 0,5 мм 0,7 мм
(Измененная редакция, Изм. № 1).
1.6. Отклонения от круглости головок не должны быть более: 0,4 мм — для гвоздей диаметром головки до 3,0 мм включ.;
0,5 мм » » » » св. 3,0 до 6,0 мм включ.;
0,9 мм » » » » » 6,0 » 10,0 » »
1,1 мм » » » » » 10,0 мм.
Допускается увеличение отклонения от круглости головок гвоздей фасонного сечения в 1,5 раза и толевых в 1,3 раза по сравнению с гвоздями круглого сечения.
(Измененная редакция, Изм. № 1, 2).
Издание официальное Перепечатка воспрещена
© ИПК Издательство стандартов, 2001 © СТАНДАРТИНФОРМ, 2009
1.7. Торцовая поверхность конической головки строительных и кровельных гвоздей должна быть рифленой, гвоздей прочих видов — гладкой.
1.8. Заостренная часть гвоздя может иметь круглое или квадратное сечение. Угол заострения по граням не должен быть более 40°.
(Измененная редакция, Изм. № 1).
1.9. На стержне гвоздя допускаются продольные лыски с поперечными рисками от подающего ножа, четырехстороннее смятие, незначительные насечки и следы от разъемных матриц; под головкой гвоздя — диаметрально расположенные наплывы металла.
Односторонний равномерный прогиб стержня гвоздя не должен быть более:
0,2 мм — для гвоздей длиной до 30 мм включ.;
На 2 % партии гвоздей всех типоразмеров, кроме тарных, допускается неотпавшая обсечка. Для формовочных гвоздей допускается незначительное смятие с двух сторон на конце стержня и пятикратное увеличение прогиба по сравнению с указанным для гвоздей других типоразмеров. По требованию потребителя формовочные гвозди изготовляют с прогибом, величина которого устанавливается по согласованию с изготовителем.
(Измененная редакция, Изм. № 1, 2).
2. ПРАВИЛА ПРИЕМКИ
2.1. Гвозди принимают партиями. Партия должна состоять из гвоздей одного типоразмера и быть оформлена документом о качестве, содержащим:
— товарный знак или наименование и товарный знак предприятия-изготовителя;
— условное обозначение гвоздя;
Допускается документ о качестве вкладывать в упаковочную единицу.
(Измененная редакция, Изм. № 1).
2.2. Гвозди для контроля должны отбираться методом случайной выборки из разных мест партии.
Размер выборки должен составлять не более 0,5 % от партии, но не менее 40 гвоздей.
2.3. Партию считают годной, если в выборке количество изделий с отступлениями от требований настоящего стандарта не превышает 4 % с учетом 2 % неотпавшей обсечки.
(Измененная редакция, Изм. № 1, 2).
2.4. При получении неудовлетворительных результатов контроля проводят повторный контроль на удвоенной выборке.
Результаты контроля распространяют на всю партию.
(Измененная редакция, Изм. № 1).
МЕТОДЫ КОНТРОЛЯ
3.1. Осмотр гвоздей проводят без применения увеличительных приборов. Размеры и расположение поверхностей гвоздей проверяют универсальным измерительным инструментом или калибрами.
Высоту головки, радиус под головкой и угол заострения гвоздей не проверяют; они должны обеспечиваться технологическим инструментом.
(Измененная редакция, Изм. № 1).
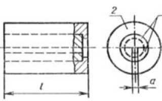
3.2. Контроль прогиба гвоздей проводят при помощи приспособления, показанного на черт. 1.
Полуматрицы вставляют в обойму по скользящей посадке. Размер квадратного отверстия а должен быть равен

1 — полуматрица; 2 — обойма Черт. 1
номинальному диаметру стержня гвоздя плюс допустимое значение прогиба согласно п. 1.9. Допуск на исполнение отверстия а — Н9 по ГОСТ 25347. Длина матрицы / должна быть не менее номинальной длины гвоздя.
Гвозди должны входить в отверстие приспособления до насечки без усилия и свободно проворачиваться в отверстии.
Допускается проводить контроль прогиба гвоздей другими методами и средствами, аттестованными в установленном порядке.
При разногласиях контроль проводят способом, установленным настоящим стандартом.
(Измененная редакция, Изм. № 1, 2).
3.3. Отклонение от соосности головки относительно стержня должно соответствовать черт. 2 и вычисляться по формуле
3.4. Отклонение от круглости головки гвоздя должно соответствовать черт. 3 и вычисляться по формуле

3.3, 3.4. (Измененная редакция, Изм. № 1).

4. МАРКИРОВКА, УПАКОВКА, ТРАНСПОРТИРОВАНИЕ И ХРАНЕНИЕ
4.1. Гвозди упаковывают в деревянные ящики по ГОСТ 18617, ящичные металлические поддоны по ОСТ 1443, бочки, специализированные и универсальные контейнеры, изготовленные по НТД. В каждой упаковочной единице должны быть гвозди одного типоразмера.
4.2. Масса брутто каждой упаковочной единицы не должна быть более:
250 кг — при упаковывании в бочки;
1000 кг — при упаковывании в ящичные металлические поддоны;
2150 кг — при упаковывании в деревянные ящики и специализированные контейнеры.
Отклонение от массы нетто гвоздей, указанной на упаковочной единице, не должно быть более:
±1 % — для гвоздей массой до 1000 кг включ.;
±0,5 % » » » ев. 1000 кг.
4.1, 4.2. (Измененная редакция, Изм. № 2).
4.3. Гвозди, предназначенные для розничной торговли, упаковывают в ящики массой брутто не более 10 кг россыпью или с предварительным мелким фасованием их в картонные, пластмассовые или металлические коробки.
При согласии конкретного потребителя допускается до 01.01.92 упаковка гвоздей в ящики массой брутто не более 60 кг, при этом при подъеме и перемещении тяжестей вручную применение женского труда не допускается.
В коробки могут быть упакованы:
1) гвозди одного типоразмера массой гвоздей в коробке:
— от 200 до 1000 г включ. с градацией 50, 100 г для гвоздей длиной 120 мм включ.;
— св. 500 » 2000 » » » » 100 г » » » св. 70 до 250 мм;
2) набор из нескольких типоразмеров гвоздей, при этом гвозди каждого типоразмера должны быть упакованы в отдельную картонную, пластмассовую или металлическую коробку. Допускается упаковывание гвоздей в секционные коробки. Масса брутто каждого набора не должна быть более 2000 г.
Для мелкого фасования гвоздей в качестве потребительской тары применяют картонные, пластмассовые или металлические коробки по НТД или согласованным чертежам.
Гвозди, предназначенные для розничной торговли, упаковывают в транспортную тару: деревянные ящики по ГОСТ 18617, ГОСТ 15623, картонные ящики по ГОСТ 13513, ГОСТ 13841 или деревянные, картонные, пластмассовые и металлические ящики по НТД или согласованным чертежам.
Для скрепления картонных ящиков и коробок применяют клеевую ленту по ГОСТ 18251 или другие средства крепления по НТД. При поставке гвоздей россыпью деревянные ящики из дощечек должны выстилаться бумагой по ГОСТ 8828, ГОСТ 515 или НТД. Допускается не выстилать ящики бумагой при условии обеспечения невысыпаемости гвоздей при транспортировании.
Групповое упаковывание гвоздей, предварительно расфасованных в потребительскую тару, допускается производить с применением термоусадочной пленки по ГОСТ 25951 или НТД с последующим пакетированием на плоских деревянных поддонах по НТД. Масса брутто пакета не должна быть более 1000 кг.
Отклонения от массы нетто гвоздей, предварительно расфасованных в коробки, должны соответствовать приведенным в табл. 2.
ГОСТ 283-75 — Гвозди проволочные. Технические условия
ГОСУДАРСТВЕННЫЙ СТАНДАРТ СОЮЗА ССР
ГВОЗДИ ПРОВОЛОЧНЫЕ
ТЕХНИЧЕСКИЕ УСЛОВИЯ
КОМИТЕТ СТАНДАРТИЗАЦИИ И МЕТРОЛОГИИ СССР
ГОСУДАРСТВЕННЫЙ СТАНДАРТ СОЮЗА ССР
ГВОЗДИ ПРОВОЛОЧНЫЕ
Технические условия
Wire nails. Specification
Постановлением Государственного комитета стандартов Совета Министров СССР от 17 июля 1975 г. № 1829 срок действия установлен
Проверен в 1981 г. Постановлением Госстандарта от 21.06.89 №1778 срок действия продлен
Несоблюдение стандарта преследуется по закону
Настоящий стандарт распространяется на проволочные гвозди круглого и фасонного сечения.
1. ТЕХНИЧЕСКИЕ ТРЕБОВАНИЯ
1.1. Гвозди должны изготовляться в соответствии с требованиями настоящего стандарта по технологическому регламенту, утвержденному в установленном порядке.
круглого сечения — из низкоуглеродистой стальной термически необработанной проволоки без покрытия по ГОСТ 3282-74 или из проволоки по другой нормативно-технической документации;
фасонного сечения — из низкоуглеродистой стальной термически необработанной проволоки без покрытия по нормативно-технической документации.
(Измененная редакция, Изм. № 1, 2).
1.2. (Исключен, Изм. № 1).
1.3. Предельные отклонения диаметра стержня гвоздей круглого сечения должны соответствовать требованиям ГОСТ 3282-74.
Предельные отклонения условного диаметра стержня и толщины гвоздей фасонного сечения должны соответствовать предельным отклонениям условного диаметра и толщины проволоки фасонного сечения.
1.4. Предельные отклонения на длину гвоздей должны быть равны ±d
(Измененная редакция, Изм. № 4)
1.5. Отклонение от соосности головки относительно стержня не должно быть более:
0,1 мм — для гвоздей диаметром стержня до 1,2 мм включ.;
0,2 мм — для гвоздей диаметром стержня св. 1,2 до 1,8 мм включ.;
0,3 мм — для гвоздей диаметром стержня св. 1,8 до 3,0 мм включ.;
0,5 мм — для гвоздей диаметром стержня св. 3,0 до 4,0 мм включ.;
0,7 мм — для гвоздей диаметром стержня св. 4,0 мм.
1.4, 1.5. (Измененная редакция, Изм. № 1).
1.6. Отклонения от круглости головок не должно быть более:
0,4 мм — для гвоздей диаметром головки до 3,0 мм включ.;
0,5 мм — для гвоздей диаметром головки св. 3,0 до 6,0 мм включ.;
0,9 мм — для гвоздей диаметром головки св. 6,0 до 10,0 мм включ.;
1,1 мм — для гвоздей диаметром головки св. 10,0 мм.
Допускается увеличение отклонения от круглости головок гвоздей фасонного сечения в 1,5 раза и толевых в 1,3 раза по сравнению с гвоздями круглого сечения.
(Измененная редакция, Изм. № 1, 2).
1.7. Торцевая поверхность конической головки строительных и кровельных гвоздей должна быть рифленой, гвоздей прочих видов — гладкой.
1.8. Заостренная часть гвоздя может иметь круглое или квадратное сечение. Угол заострения по граням не должен быть более 40°.
(Измененная редакция, Изм. № 1).
1.9. На стержне гвоздя допускаются продольные лыски с поперечными рисками от подающего ножа, четырехстороннее смятие, незначительные насечки и следы от разъемных матриц; под головкой гвоздя диаметрально расположенные наплывы металла.
Односторонний равномерный прогиб стержня гвоздя не должен быть более:
0,2 мм — для гвоздей длиной до 30 мм включ.;
0,3 мм — для гвоздей длиной св. 30 до 50 мм включ.;
0,5 мм — для гвоздей длиной св. 50 до 80 мм включ.;
0,7 мм — для гвоздей длиной св. 80 до 120 мм включ.;
1,0 мм — для гвоздей длиной св. 120 мм.
На 2% всех типоразмеров гвоздей партии, кроме тарных, допускается неотпавшая обсечка.
Для формовочных гвоздей допускается незначительное смятие с двух сторон на конце стержня и пятикратное увеличение прогиба по сравнению с указанным для других типоразмеров. По требованию потребителя формовочные гвозди изготовляют с прогибом, величина которого устанавливается по согласованию с изготовителем.
(Измененная редакция, Изм. № 1, 2).
2. ПРАВИЛА ПРИЕМКИ
2.1. Гвозди принимают партиями. Партия должна состоять из гвоздей одного типоразмера и быть оформлена документом о качестве, содержащим:
товарный знак или наименование и товарный знак предприятия-изготовителя;
условное обозначение гвоздя;
Допускается документ о качестве вкладывать в упаковочную единицу.
(Измененная редакция, Изм. № 1).
2.2. Гвозди для контроля должны отбираться методом случайной выборки из разных мест партии.
Размер выборки должен составлять не более 0,5% от партии, но не менее 40 шт.
2.3. Партия считается годной, если в выборке количество изделий с отступлениями от требований настоящего стандарта не превышает 4% с учетом 2% неотпавшей обсечки.
(Измененная редакция, Изм. № 1, 2).
2.4. При получении неудовлетворительных результатов контроля производится повторный контроль на удвоенной выборке. Результаты контроля распространяются на всю партию.
(Измененная редакция, Изм. № 1).
3. МЕТОДЫ КОНТРОЛЯ
3.1. Осмотр гвоздей производится без применения увеличительных приборов. Размеры и расположение поверхностей гвоздей проверяются универсальным измерительным инструментом или калибрами.
Высота головки, радиус под головкой и угол заострения гвоздей не проверяются и должны обеспечиваться технологическим инструментом.
(Измененная редакция, Изм. № 1).
3.2. Контроль прогиба гвоздей производится при помощи приспособления, показанного на черт. 1.

1 — полуматрнца; 2 — обойма
Полуматрицы вставляются в обойму по скользящей посадке. Размер квадратного отверстия а должен быть равен номинальному диаметру стержня гвоздя плюс допустимая величина прогиба согласно п. 1.9. Допуск на исполнение отверстия а — Н9 по ГОСТ 25347-82. Длина матрицы l должна быть не менее номинальной длины гвоздя.
Гвозди должны входить в отверстие приспособления до насечки без усилия и свободно проворачиваться в отверстии.
Допускается производить контроль прогиба гвоздей другими методами и средствами, аттестованными в установленном порядке.
При разногласиях контроль проводят способом, установленным настоящим стандартом.
(Измененная редакция, Изм. № 1, 2).
3.3. Отклонение от соосности головки относительно стержня должно соответствовать черт. 2 и вычисляться по формуле

3.4. Отклонение от круглости головки гвоздя должно соответствовать черт. 3 и вычисляться по формуле

3.3; 3.4. (Введены дополнительно, Изм. № 1).


4. МАРКИРОВКА, УПАКОВКА, ТРАНСПОРТИРОВАНИЕ И ХРАНЕНИЕ
4.1. Гвозди упаковывают в деревянные ящики по ГОСТ 18617-83, ящичные металлические поддоны по ОСТ 1443-80, бочки, специализированные и универсальные контейнеры, изготовленные по нормативно-технической документации. В каждой упаковочной единице должны быть гвозди одного типоразмера.
4.2. Масса брутто каждой упаковочной единицы должна быть не более:
250 кг — при упаковывании в бочки;
1000 кг — при упаковывании в поддоны ящичные металлические;
2150 кг — при упаковывании в ящики деревянные и специализированные контейнеры.
Отклонение от массы нетто гвоздей, указанной на упаковочной единице, не должно быть более:
± 1 % — для массы гвоздей до 1000 кг включ.;
±0,5% — для массы гвоздей св. 1000 кг.
4.1, 4.2. (Измененная редакция, Изм. № 1, 2).
4.3. Гвозди, предназначенные для розничной торговли, упаковывают в ящики массой брутто не более 10 кг россыпью или с предварительным мелким фасованием их в картонные, пластмассовые или металлические коробки.
При согласии конкретного потребителя Минторга СССР и Центросоюза допускается до 01.01.92 упаковка гвоздей в ящики массой брутто не более 60 кг, при этом при подъеме и перемещении тяжестей вручную применение женского труда не допускается.
В коробки могут быть упакованы:
1) гвозди одного типоразмера с массой гвоздей в коробке;
от 200 до 1000 г включ. с градацией 50, 100 г для гвоздей длиной 120 мм включ.;
св. 500 до 2000 г включ. с градацией 100 г для гвоздей длиной
св. 70 до 250 мм;
2) набор гвоздей из нескольких типоразмеров, при этом гвозди каждого типоразмера должны быть упакованы в отдельную картонную, пластмассовую или металлическую коробку. Допускается упаковывание гвоздей в секционные коробки. Масса брутто каждого набора должна быть не более 2000 г.
Для мелкого фасования гвоздей в качестве потребительской тары применяются картонные, пластмассовые или металлические коробки по нормативно-технической документации или согласованным чертежам.
Гвозди, предназначенные для розничной торговли, упаковывают в транспортную тару: деревянные ящики по ГОСТ 18617-83, ГОСТ 15623-84, картонные ящики по ГОСТ 13513-86, ГОСТ 13841-95 или деревянные, картонные, пластмассовые и металлические ящики по нормативно-технической документации или согласованным чертежам.
Для скрепления картонных ящиков и коробок применяется клеевая лента по ГОСТ 18251-87 или другие средства крепления по нормативно-технической документации. При поставке гвоздей россыпью деревянные ящики из дощечек должны выстилаться бумагой по ГОСТ 8828-89, ГОСТ 515-77 или по другой нормативно-технической документации. Допускается не выстилать ящики бумагой при условии обеспечения невысыпаемости гвоздей при транспортировании.
Групповое упаковывание гвоздей, предварительно расфасованных в потребительскую тару, допускается производить с применением термоусадочной пленки по ГОСТ 25951-83 или по другой нормативно-технической документации с последующим пакетированием на плоских деревянных поддонах по нормативно-технической документации. Масса брутто пакета не должна быть более 1000 кг.
Отклонение от массы нетто гвоздей, предварительно расфасованных в коробки, должны соответствовать приведенным в табл. 2.
Размер гвоздя, мм
Отклонение от массы нетто гвоздей, %, при фасовании
Гвозди проволочные Технические условия ГОСТ 283-75

КОМИТЕТ СТАНДАРТИЗАЦИИ И МЕТРОЛОГИИ СССР
ГОСУДАРСТВЕННЫЙ СТАНДАРТ СОЮЗА ССР
Технические условия ГОСТ
Wire nails. 283—75
Срок действия с 01.01.77
Настоящий стандарт распространяется на проволочные гвозди круглого и фасонного сечения.
1. ТЕХНИЧЕСКИЕ ТРЕБОВАНИЯ
1.1. Гвозди должны изготовляться в соответствии с требованиями настоящего стандарта по технологическому регламенту, утвержденному в установленном порядке.
круглого сечения — из низкоуглеродистой стальной термически необработанной проволоки без покрытия по ГОСТ 3282-74 или из проволоки по другой нормативно-технической документации;
фасонного сечения — из низкоуглеродистой стальной термически необработанной проволоки без покрытия по нормативно-технической документации.
(Измененная редакция, Изм. № 1, 2).
1.2. (Исключен, Изм. № 1).
1.3. Предельные отклонения диаметра стержня гвоздей круглого сечения должны соответствовать требованиям ГОСТ 3282-74.
Предельные отклонения условного диаметра стержня и толщины гвоздей фасонного сечения должны соответствовать предельным отклонениям условного диаметра и толщины проволоки фасонного сечения.
1.4. Предельные отклонения от длины гвоздей должны соответствовать указанным в табл. 1.
1.5. Отклонение от соосности головки относительно стержня не должно быть более:
0,1 мм — для гвоздей диаметром стержня до 1,2 мм включ.;
0,2 мм — для гвоздей диаметром стержня св. 1,2 до 1,8 мм включ.;
0,3 мм — для гвоздей диаметром стержня св. 1,8 до 3,0 мм включ.;
0,5 мм — для гвоздей диаметром стержня св. 3,0 до 4,0 мм включ.;
0,7 мм — для гвоздей диаметром стержня св. 4,0 мм.
1.4, 1.5. (Измененная редакция, Изм. № 1).
1.6. Отклонения от круглости головок не должно быть более:
0,4 мм — для гвоздей диаметром головки до 3,0 мм включ.;
0,5 мм — для гвоздей диаметром головки св. 3,0 до 6,0 мм включ.;
0,9 мм — для гвоздей диаметром головки св. 6,0 до 10,0 мм включ.;
1,1 мм — для гвоздей диаметром головки св. 10,0 мм.
Допускается увеличение отклонения от круглости головок гвоздей фасонного сечения в 1,5 раза и толевых в 1,3 раза по сравнению с гвоздями круглого сечения.
(Измененная редакция, Изм. № 1, 2).
1.7. Торцевая поверхность конической головки строительных и кровельных гвоздей должна быть рифленой, гвоздей прочих видов — гладкой.
1.8. Заостренная часть гвоздя может иметь круглое или квадратное сечение. Угол заострения по граням не должен быть более 40°.
(Измененная редакция, Изм. № 1).
1.9. На стержне гвоздя допускаются продольные лыски с поперечными рисками от подающего ножа, четырехстороннее смятие, незначительные насечки и следы от разъемных матриц; под головкой гвоздя диаметрально расположенные наплывы металла.
Односторонний равномерный прогиб стержня гвоздя не должен быть более:
0,2 мм — для гвоздей длиной до 30 мм включ.;
0,3 мм — для гвоздей длиной св. 30 до 50 мм включ.;
0,5 мм — для гвоздей длиной св. 50 до 80 мм включ.;
0,7 мм — для гвоздей длиной св. 80 до 120 мм включ.;
1,0 мм — для гвоздей длиной св. 120 мм.
На 2% всех типоразмеров гвоздей партии, кроме тарных, допускается неотпавшая обсечка.
Для формовочных гвоздей допускается незначительное смятие с двух сторон на конце стержня и пятикратное увеличение прогиба по сравнению с указанным для других типоразмеров. По требованию потребителя формовочные гвозди изготовляют с прогибом, величина которого устанавливается по согласованию с изготовителем.
(Измененная редакция, Изм. № 1, 2).
2. ПРАВИЛА ПРИЕМКИ
2.1. Гвозди принимают партиями. Партия должна состоять из гвоздей одного типоразмера и быть оформлена документом о качестве, содержащим:
товарный знак или наименование и товарный знак предприятия-изготовителя;
условное обозначение гвоздя;
Допускается документ о качестве вкладывать в упаковочную единицу.
(Измененная редакция, Изм. № 1).
2.2. Гвозди для контроля должны отбираться методом случайной выборки из разных мест партии.
Размер выборки должен составлять не более 0,5% от партии, но не менее 40 шт.
2.3. Партия считается годной, если в выборке количество изделий с отступлениями от требований настоящего стандарта не превышает 4% с учетом 2% неотпавшей обсечки.
(Измененная редакция, Изм. № 1, 2).
2.4. При получении неудовлетворительных результатов контроля производится повторный контроль на удвоенной выборке. Результаты контроля распространяются на всю партию.
(Измененная редакция, Изм. № 1).
3. МЕТОДЫ КОНТРОЛЯ
3.1. Осмотр гвоздей производится без применения увеличительных приборов. Размеры и расположение поверхностей гвоздей проверяются универсальным измерительным инструментом или калибрами.
Высота головки, радиус под головкой и угол заострения гвоздей не проверяются и должны обеспечиваться технологическим инструментом.
(Измененная редакция, Изм. № 1).
3.2. Контроль прогиба гвоздей производится при помощи приспособления, показанного на черт. 1.

1 — полуматрнца; 2 — обойма
Полуматрицы вставляются в обойму по скользящей посадке. Размер квадратного отверстия а должен быть равен номинальному диаметру стержня гвоздя плюс допустимая величина прогиба согласно п. 1.9. Допуск на исполнение отверстия а — Н9 по ГОСТ 25347-82. Длина матрицы l должна быть не менее номинальной длины гвоздя.
Гвозди должны входить в отверстие приспособления до насечки без усилия и свободно проворачиваться в отверстии.
Допускается производить контроль прогиба гвоздей другими методами и средствами, аттестованными в установленном порядке.
При разногласиях контроль проводят способом, установленным настоящим стандартом.
(Измененная редакция, Изм. № 1, 2).
3.3. Отклонение от соосности головки относительно стержня должно соответствовать черт, 2 и вычисляться по формуле

3.4. Отклонение от круглости головки гвоздя должно соответствовать черт. 3 и вычисляться по формуле

3.3; 3.4. (Введены дополнительно, Изм. № 1).


4. МАРКИРОВКА, УПАКОВКА, ТРАНСПОРТИРОВАНИЕ И ХРАНЕНИЕ
4.1. Гвозди упаковывают в деревянные ящики по ГОСТ 18617-83, ящичные металлические поддоны по ОСТ 1443-80, бочки, специализированные и универсальные контейнеры, изготовленные по нормативно-технической документации. В каждой упаковочной единице должны быть гвозди одного типоразмера.
4.2. Масса брутто каждой упаковочной единицы должна быть не более:
250 кг — при упаковывании в бочки;
1000 кг—при упаковывании в поддоны ящичные металлические;
2150 кг—при упаковывании в ящики деревянные и специализированные контейнеры.
Отклонение от массы нетто гвоздей, указанной на упаковочной единице, не должно быть более:
± 1 % — для массы гвоздей до 1000 кг включ.;
±0,5% — для массы гвоздей св. 1000 кг.
4.1, 4.2. (Измененная редакция, Изм. № 1, 2).
4.3. Гвозди, предназначенные для розничной торговли, упаковывают в ящики массой брутто не более 10 кг россыпью или с предварительным мелким фасованием их в картонные, пластмассовые или металлические коробки.
При согласии конкретного потребителя Минторга СССР и Центросоюза допускается до 01.01.92 упаковка гвоздей в ящики массой брутто не более 60 кг, при этом при подъеме и перемещении тяжестей вручную применение женского труда не допускается.
В коробки могут быть упакованы:
1) гвозди одного типоразмера с массой гвоздей в коробке;
от 200 до 1000 г включ. с градацией 50, 100 г для гвоздей длиной 120 мм включ.;
св. 500 до 2000 г включ. с градацией 100 г для гвоздей длиной
св. 70 до 250 мм;
2) набор гвоздей из нескольких типоразмеров, при этом гвозди каждого типоразмера должны быть упакованы в отдельную картонную, пластмассовую или металлическую коробку. Допускается упаковывание гвоздей в секционные коробки. Масса брутто каждого набора должна быть не более 2000 г.
Для мелкого фасования гвоздей в качестве потребительской тары применяются картонные, пластмассовые или металлические коробки по нормативно-технической документации или согласованным чертежам.
Гвозди, предназначенные для розничной торговли, упаковывают в транспортную тару: деревянные ящики по ГОСТ 18617-83, ГОСТ 15623-84, картонные ящики по ГОСТ 13513-86, ГОСТ 13841-79 или деревянные, картонные, пластмассовые и металлические ящики по нормативно-технической документации или согласованным чертежам.
Для скрепления картонных ящиков и коробок применяется клеевая лента по ГОСТ 18251-87 или другие средства крепления по нормативно-технической документации. При поставке гвоздей россыпью деревянные ящики из дощечек должны выстилаться бумагой по ГОСТ 8828-89, ГОСТ 515-77 или по другой нормативно-технической документации. Допускается не выстилать ящики бумагой при условии обеспечения невысыпаемости гвоздей при транспортировании.
Групповое упаковывание гвоздей, предварительно расфасованных в потребительскую тару, допускается производить с применением термоусадочной пленки по ГОСТ 25951-83 или по другой нормативно-технической документации с последующим пакетированием на плоских деревянных поддонах по нормативно-технической документации. Масса брутто пакета не должна быть более 1000 кг.
Отклонение от массы нетто гвоздей, предварительно расфасованных в коробки, должны соответствовать приведенным в табл. 2.
ГОСТ 283-75 и 4028-63: технические характеристики строительных и проволочных гвоздей
Строительные гвозди – это разновидность крепежного элемента. Конструкция этого изделия представляет собой стержень и шляпку. Некоторые производители могут нанести на стержень рельеф, благодаря чему удается улучшить соединение. Большим спросом пользуются строительные гвозди при ремонтных работах, которые используют, как профессиональные рабочие, так и обычный человек в быту. Такие крепежные элементы сегодня регламентированы ГОСТом, следовательно, для каждого вида имеются свои свойства и особенности применения.
Описание гвоздь ГОСТ 4028—63
Для таких изделий характерны одни и те же размеры диаметра строительных гвоздей, но при этом у них может быть различная длина. Для получения изделия используют углеродистую сталь. После сверху их обработают при помощи тонкого слоя цинка.

Сфера применения таких гвоздей, как и шурупов TN 25, понятна из названия. Такие крепежные элементы активно задействуют при осуществлении внутренних строительных и отделочных мероприятий, где имеются нормальные показатели влажности, чтобы можно было устанавливать без покрытия. Если необходимо провести наружную отделку, то здесь е обойтись без оцинкованных изделий, так как для таких элементов свойственно негативное влияние осадков.
Как использовать гвозди для пневматического пистолета можно узнать из данной статьи.
На видео – описание производства тарных гвоздей по ГОСТу:
ГОСТ 4028—63 нашли свое применение при соединении элементов из дерева. Если использовать гладкие изделия, то добиться качественного крепления в этом случае не получится. В тех местах, где уровень влажности превышает норму, не стоит использовать обычные крепежи маленьких размеров без защитного слоя. Причина в том, что на их поверхности быстро образуется ржавчина, а место, где они был установлены, становится ненадежным.
Дюбель бабочка для гипсокартона фото и другие данные можно посмотреть из данной статьи.
Технические характеристики
Таблица 1 – Технические характеристики
| Маркировка гвоздя | Диаметр стержня (d), мм | Диаметр шляпки (D), мм | Длина (L), мм | Высота шляпки (H) min, мм | |
| дюймы | мм | ||||
| 0,059×0,980 | 1,50×25,00 | 1,50-0,05 | 3,00 | 25,00-3,00 | 0,90 |
| 0,071×1,260 | 1,80×32,00 | 1,80-0,06 | 3,60 | 32,00-3,00 | 1,08 |
| 0,079×1,570 | 2,00×40,00 | 2,00-0,06 | 4,00 | 40,00-3,00 | 1,20 |
| 0,098×1,181 | 2,50×30,00 | 2,50-0,06 | 5,00 | 30,00-3,00 | 1,50 |
| 0,098×1,968 | 2,50×50,00 | 2,50-0,06 | 5,00 | 50,00-3,00 | 1,50 |
| 0,098×2,362 | 2,50×60,00 | 2,50-0,06 | 5,00 | 60,00-4,00 | 1,50 |
| 0,118×2,756 | 3,00×70,00 | 3,00-0,10 | 6,00 | 70,00-4,00 | 1,80 |
| 0,118×3,150 | 3,00×80,00 | 3,00-0,10 | 6,00 | 80,00-4,00 | 1,80 |
| 0,118×3,543 | 3,00×90,00 | 3,00-0,10 | 6,00 | 90,00-6,00 | 1,80 |
| 0,138×3,543 | 3,50×90,00 | 3,50-0,10 | 7,00 | 90,00-6,00 | 2,10 |
| 0,157×3,543 | 4,00×90,00 | 4,00-0,10 | 8,00 | 90,00-6,00 | 2,40 |
| 0,157×3,937 | 4,00×100,00 | 4,00-0,10 | 8,00 | 100,00-6,00 | 2,40 |
| 0,157×4,724 | 4,00×120,00 | 4,00-0,10 | 8,00 | 120,00-6,00 | 2,40 |
| 0,197×5,905 | 5,00×150,00 | 5,00-0,10 | 10,00 | 150,00-6,00 | 3,00 |
| 0,236×7,874 | 6,00×200,00 | 6,00-0,10 | 12,00 | 200,00-6,00 | 3,60 |
ГОСТ 4028-80
Эти изделия относятся к оцинкованным. Их можно применять при работу внутри или снаружи дома при сборке деревянных конструкций. Такие крепежные элементы гарантируют прочность и надежность соединения. Около шляпки гвоздя имеются неровности, которые улучшают качество сцепки. Для производства таких изделий используют углеродистую сталь, которая может противостоять ржавчине. 
Размеры и диаметр строительных гвоздей
Таблица 2 – Размеры строительных гвоздей
| Размер | Диаметр гвоздя, в мм | Длина гвоздя, в мм |
| 1,2х16 | 1.2 | 16 |
| 1,2х20 | 1.2 | 20 |
| 1,2х25 | 1.2 | 25 |
| 1,4х25 | 1.4 | 25 |
| 1,6х25 | 1.6 | 25 |
| 1,6х32 | 1.6 | 32 |
| 1,6х40 | 1.6 | 40 |
| 1,6х50 | 1.6 | 50 |
| 1,8х32 | 1.8 | 32 |
| 1,8х40 | 1.8 | 40 |
| 1,8х50 | 1.8 | 50 |
| 1,8х60 | 1.8 | 60 |
| 2х40 | 2 | 40 |
| 2х50 | 2 | 50 |
| 2х60 | 2 | 60 |
| 2,5х50 | 2.5 | 50 |
| 2,5х60 | 2.5 | 60 |
| 3х70 | 3 | 70 |
| 3х80 | 3 | 80 |
| 3,5х70 | 3.5 | 70 |
| 3,5х80 | 3.5 | 80 |
| 3,5х90 | 3.5 | 90 |
| 4х100 | 4 | 100 |
| 4х120 | 4 | 120 |
| 5х100 | 5 | 100 |
| 5х120 | 5 | 120 |
| 5х150 | 5 | 150 |
| 6х150 | 6 | 150 |
| 6х200 | 6 | 200 |
| 7,6х250 | 7.6 | 250 |
| 8х250 | 8 | 250 |
| 8х300 | 8 | 300 |
| 8,8х250 | 8.8 | 250 |
| 8,8х300 | 8.8 | 300 |
ГОСТ 283 75
В этом случае осуществляется производство проволочных гвоздей. Для их получения задействуют специальное оборудование, которое может отличаться по показателям мощности, производительности и осуществляемым функциям. 
Такие данные могут принимать следующие значения:
- диаметр проволоки – 1,2 — 9,0 мм.
- Длина гвоздя – от 12 до 320 мм.
- Мощность аппарата – 3 — 20 кВт.
Таблица 3 – Размеры гвоздей
| Диаметр стержня, d, мм | Длина гвоздя, L, мм | Диаметр головки, D, мм, не менее | Теоретическая масса 1000 гвоздей, кг |
| 1,8 | 35 | 3,6 | 0,704 |
| 2 | 40 | 4 | 0,989 |
| 2,2 | 45 | 4,4 | 1,311 |
| 2,2 | 50 | 4,4 | 1,49 |
| 2,5 | 50 | 5 | 1,916 |
| 2,5 | 60 | 5 | 2,302 |
| 2,8 | 65 | 5,6 | 3,162 |
| 3,1 | 65 | 6,2 | 3,933 |
| 3,1 | 70 | 6,2 | 4,195 |
| 3,1 | 80 | 6,2 | 4,787 |
| 3,4 | 80 | 6,8 | 5,744 |
| 3,4 | 90 | 6,8 | 6,456 |
| 3,8 | 100 | 7,6 | 8,93 |
| 4,2 | 100 | 7,9 | 10,801 |
| 4,2 | 110 | 7,9 | 11,888 |
| 4,2 | 120 | 7,9 | 12,975 |
| 4,6 | 130 | 8,8 | 16,853 |
| 5,5 | 140 | 10,5 | 26,075 |
| 5,5 | 160 | 10,5 | 29,803 |
| 6 | 180 | 11,5 | 39,837 |
| 7 | 210 | 13,6 | 63,131 |
| 7,6 | 230 | 14,9 | 81,908 |
| 7,6 | 260 | 14,9 | 92,626 |
| 8,8 | 260 | 17,4 | 123,874 |
Разновидности
Строительные гвозди имеют очень обширную классификацию. Благодаря этому удается понять, куда можно вбивать гвоздь, а где его поразить коррозия. Крепеж на строительных гвоздях очень часто относят к самым простым методам монтажа изделий. Но порой такой крепеж не всегда является прочным и долговечным. Возникнуть это может из-за неправильного обращения с крепежом. Профессиональные строители при работе задействуют только качественные гвозди, которые могут различаться по размеру и виду шляпки.
Как использовать кровельные саморезы по металлу со сверлом и какие у него размеры можно узнать из статьи.
Если посмотреть на строительный гвоздь, то у некоторых имеют место такие шляпки:
- с бороздками;

- гладкие;

- с винтом.

Еще такой элемент делится на следующие виды:
- Нержавеющие – они задействуются при крепеже деревянных досок.
- Оцинкованные – применяются при крепе бревен.
- Латунные – для бетонной поверхности.
- Пластиковые – для монтажа гипсокартонных листов.
Как происходит крепление профнастила саморезами на крыше можно узнать из данной статьи.
В зависимости от шляпки гвоздя изделие может быть:
- с широкой шляпкой;
- с узкой шляпкой;
- с плоской шляпкой;
- совсем без шляпки.
Саморезы желтые по дереву размеры и другие данные можно подчеркнуть из статьи.
Выделяют еще трефовые гвозди, которые имеют ложбинку по всей ножке.
И завершает классификацию строительных гвоздей следующие элементы:
- электрооценкованные;
- кислотоупорные;
- медные;
- с горячей оцинковкой.
Профилированный брус преимущества и недостатки, а так же другие характеристики можно узнать из статьи.
Какое количество бруса размером 150 на 150 на 6000 помещается в одном кубе можно узнать из данной статьи.
Читайте и о том, как и для чего применять строительные шурупы с потайной головкой гост 1145 80.
Чаще всего специалисты рекомендуют свои людям гвозди последнего варианта. Они чаще всего применяются, когда выполняется крепеж основных конструкций, так как для этого материал не подвергается воздействию ржавчины. Однако использовать без оцинковки не стоит даже там, где имеется малейший контакт с водой. Для отделки внутри дома стоит использовать электрооцинкованные элементы. Такие изделия позволят крепко и надежно закрепить требуемые отделочные материалы.
Полезно знать и о том, как выбрать крепеж для гипсокартона.
Строительные гвозди – это очень надежные крепежные элементы, благодаря которым удается выполнить качественное соединение с различными поверхностями. Применяют их при выполнении различных работ: крепеж кровельных листов, отделочных материалов, при изготовлении мебели. Только правильно выбранное изделие гарантирует получения максимальных результатов, благодаря которым выполнять все работы по крепежу вам не нужно будет в течение длительного времени.




Профилированный брус преимущества и недостатки, а так же другие характеристики можно узнать из статьи.