Швеллеры no 20 сталь марки ст3пс
Черный металлопрокат
Строительная арматура (англ. steel reinforsing bar) — металлические прутки гладкого или рифленого профиля, которые служат для усиления бетона и используются для возведения фундамента, производства сварной сетки, производства железобетонных конструкций, изготовления арматурных каркасов.
Двутавровая балка (англ. I-beam) — металлическая конструкция с сечением Н, имеющая высокую прочность и надежность стального сплава при относительно небольшой удельной массе, которая применяется как элемент перекрытия в строительстве жилых зданий и нежилых сооружений, при возведении мостов, развязок, эстакад, подвесных путей.
Стальной квадрат — (англ. steel square) — металлическое изделие с полным сечением в виде равностороннего прямоугольника, получаемое методом прокатки на специальном стане, применяемое для изготовления деталей, а так же конструкций в гражданском и промышленном строительстве, сельском хозяйстве, машиностроении, мебельной промышленности.
Крепеж и метизы (англ. wire products) — металлические детали или изделия, предназначенные для соединения элементов, блоков и конструкций в строительстве, машиностроении, сельском хозяйстве, практически во всех отраслях народного хозяйства, а так же в нашей повседневной жизни.
- Болты
- Гайки
- Шайбы
- Шпильки
- Гвозди
- Шплинты
Круг стальной (англ. steel circle section) — металлический полнотелый прокат круглого сечения, диаметром прутков 5 — 270мм или в бунтах диаметром до 9мм, который используется активно в машиностроении, строительстве жилых домов и промышленных зданий, обрабатывающей промышленности и производстве специальных конструкций.
Стальная лента (англ. steel strap) — холоднокатаный вид металлопродукции из низкоуглеродистой стали, применяемый в основном для обвязки крупногабаритных и тяжелых грузов в таких областях промышленности, как металлургия, деревообработка, строительство, машиностроение, станкостроение.
Листовой прокат (англ. rolled sheet bar) — металл в форме тонких или толстых листов, рулонов, широких полос из прочной стали, имеющий устойчивость к внешним и химическим воздействиям, широко применяемый в строительстве, автомобилестроении, мебельной промышленности, а так же для производства профильных и круглых электросварных труб.
Стальная полоса (англ. steel band) — металлическое изделие из прочного сплава, относящееся к сортовому прокату длиной от 4 до 6м, оцинкованное или без защитного покрытия, которое часто используется для заземления, а так же производства легких конструкций в машиностроении, строительстве, сельском хозяйстве.
Стальная проволока (англ. steel wire) — металлическая нить, получаемая методом холодной прокатки или волочения катанки, часто отожженная для создания прочности изделия по всей длине, которое применяется в машиностроении, строительстве, изготовлении конструкций, деревообработке и как элемент декора.
Стальной канат или трос (англ. steel wire rope) — изделие, свитое из металлической оцинкованной или черной проволоки, которое применяется в механизмах подъема шахтных установок, лифтов, кранов, для удержания конструкций в определенном положении, буксировки и обвязки груза.
Профнастил (англ. profiled sheet) — оцинкованный или крашенный, облицовочный или кровельный материал в виде профилированного листа, который производится методом холодной прокатки и служит для строительства крыш, заборов или ограждений, создавая при этом жесткость и герметичность жилых и производственных помещений.
Металлическая сетка (англ. metal gauze) — конструкционный стальной материал, изготовленный методом плетения или сварки, из проволоки или строительной арматуры, который используется для строительства дорог, армирования кладок и фундаментов, строительства ограждений и вольеров.
Стальные трубы (англ. steel pipes) — металлический прокат полого сечения, который используется для прокладки трубопроводов систем отопления, канализации, газоснабжения, строительства опор и ограждений, защиты проводов и электрических кабелей в энергетике, подачи воды в сельскохозяйственные оросительные системы, производства мебели, разведки и эксплуатации нефтяных месторождений, изготовления цилиндров и поршней насосов, валов, колец подшипников в машиностроении.
Стальной уголок (англ. steel angle section) — в виде буквы «L». Для его изготовления согласно ГОСТ используется конструкционная сталь высокого качества, углеродистые стали (Ст0, Ст3сп/пс, Ст3кп, Ст5пс), низколегированные стали с высокими показателями прочности для изделий, используемых в условиях постоянных нагрузок и низких температур (09Г2С).
Фитинги (англ. fittings) — неразъемные или сборно-разъемные металлические детали, служащие для соединения круглых стальных труб различного назначения, благодаря которым происходит их разветвление, сужение, расширение, поворот, разделение, герметичное перекрытие при потоке транспортируемой среды.
Стальной швеллер (англ. steel u-bar) — вид металлического сортового проката с поперечным П-образным сечением, изготавливаемый из стали 3сп/пс, ст.09Г2С горячей прокаткой или на профилегибочном оборудовании, который благодаря наличию ребер жетскости, применяется в строительстве для изготовления перекрытий между этажами, укрепления кровельных прогонов, армирования стен зданий и сооружений.
Стальной шестигранник (англ. steel hexagon section) — один из видов сортового металлопроката полнотелого правильного сечения, изготавливаемый, как правило, диаметром 8-100мм по ГОСТ 2879-88 для горячекатаной стали, диаметром 3-100мм по ГОСТ 8560-78 для калиброванной стали, применяемый активно в машиностроении, строительстве, энергетике.
Электрод (англ. еlectrode) — плавящийся или не плавящийся стержень из электропроводного материала, который служит для сваривания изделий и агрегатов из металлопроката в таких сферах, как автомобилестроение, изготовление стальных конструкций, кораблестроение, нефтяная и газовая промышленность, строительство жилых домов и нежилых сооружений.
Швеллер 20П сталь 3 ГОСТ 8240-97 с245
Описание
| Стандарт изготовления | ГОСТ 8240-97 Швеллеры стальные горячекатаные |
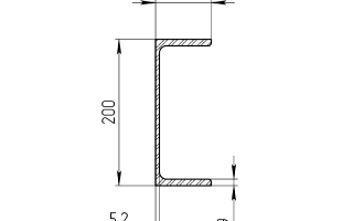
| Высота | 200 мм |
| Ширина полки | 76 мм |
| Толщина стенки | 5,2 мм |
| Толщина полки | 9 мм |
| Внутренний радиус (до) | 9,5 мм |
| Внешний радиус (до) | 5,5 мм |
| Площадь сечения | 23,4 мм2 |
| Вес 1 погонного метра швеллера | 18,4 кг |
| Вес 3 метров | 55,2 кг |
| Вес 6 метров | 110,4 кг |
| Вес 12 метров | 220,8 кг |
| Метров швеллера в 1 тонне | 54,35 метров |
| Сталь | Ст3 |
| Тип стали | Конструкционная углеродистая обыкновенного качества |
| Аналоги стали | Ст3пс, Ст3пс, С275 |
| Плотность стали | 7850 |
| Предел прочности при растяжении | 380-490 МПа |
| Свариваемость | Без ограничений. |
Государственный стандарт ГОСТ 8240-97 является основным техническим документом, в соответствии с требованиями которого на предприятиях чёрной металлургии выпускаются фасонные швеллерные балки высотой 200 мм. Швеллер № 20 отливается методом горячей прокатки из углеродистой стали обыкновенного качества Ст3 всех степеней раскисления, низколегированных конструкционных сталей марок 09Г2 и 09Г2С.

Балка с толщиной стенки 5,2 мм
Варианты изготовления балки – с уклоном внутренних граней (У), с параллельными гранями полок (П). Подобная продукция обычного назначения выпускается со следующими геометрическими размерами:
- толщина стенки – 5,2 мм;
- толщина полки – 9,0 мм;
- ширина полки – 76 мм;
- высота – 200 мм.
Сечение всех балок стандартное – 23,4 см 2 . Различны у балок типа П и У размеры радиуса закругления на кромке полки (П – 5,5 мм, У – 4,0 мм). Кроме того, у обоих швеллеров аналогичен радиус внутреннего закругления балок (9,2 мм). Вес погонного метра швеллера №20 составляет 18,4 кг.

Швеллера №20 на складе открытого хранения
Основная сфера применения швеллерных балок высотой 200 мм – промышленное и гражданское строительство, мостостроение. Они являются основой несущих конструкций зданий и сооружений, используются при монтаже большепролётных ферм, прогонов, колонн, связей. Из 20-х балок изготавливаются по стержневой схеме сборные и сварные вагонные конструкции.
Швеллер 20П(У)

Вес метра, кг 18.40
Марка стали 3сп(пс)
Калькулятор веса и стоимости металлопроката

Получите у менеджера предложение по Вашему заказу на товар:
Швеллер 20П(У).
*-цена стального швеллера 20П (У) указана за тонну с НДС при заказе от 20 и более тонн. На оптовые заказы со склада и транзитные поставки напрямую от производителя действует система скидок от цены прайс-листа. На заказ объемом менее тонны возможно применение розничных цен. Окончательную цену на швеллер 20П (У), пожалуйста, уточняйте у менеджера. Также вы можете узнать стоимость швеллера за метр.
Стальной горячекатаный швеллер 20П (У) — произведен в соответствие с ГОСТ 8240-97 (методом горячей прокатки) из рядовой углеродистой стали 3. Продукция упакована в пачки весом от 3 до 7 тонн. Швеллер 20П (У) из низколегированной стали 09Г2С и других сталей поставляется под заказ.
Купить швеллер № 20П (У) вы можете любыми партиями: оптом и в розницу. Минимальный объем отгрузки горячекатаного швеллера — один хлыст. В складской сортамент МЕТАЛЛ-ЭНЕРГИИ входят швеллера серий П (с параллельными гранями полок) и У (с уклоном внутренних граней полок). Продукция серий Э, Л, С поставляется под заказ.
Посмотреть полный сортамент швеллеров, предлагаемый к продаже компанией МЕТАЛЛ-ЭНЕРГИЯ, вы можете, перейдя в соответствующий раздел по ссылке стальной швеллер
Чтобы купить металлопрокат и трубы других видов воспользуйтесь нашим каталогом.
ЛУЧШАЯ ЦЕНА НА ШВЕЛЛЕРА – МЕТАЛЛ-ЭНЕРГИЯ
Области применения: машиностроение, станкостроение, вагоностроение, производство и монтаж металлоконструкций, мосты, фермы, перекрытия, колонны, каркасы, мачты, вышки, крепления, соединения, распорки.
Потребители: строительные компании, машиностроительные, вагоностроительные предприятия, производители металлоконструкций, домохозяйства ( только небольшие размеры).
Вместе со швеллером № 20П (У) из стали 3 вы можете приобрести следующие услуги:
- Доставка швеллера
- Резка швеллера
- Оцинкование швеллера
- Изготовление гнутого швеллера
- Изготовление металлоконструкций
МЕТАЛЛ-ЭНЕРГИЯ – ГАРАНТИЯ КАЧЕСТВА МЕТАЛЛОПРОДУКЦИИ И УСЛУГ
Теги: металлопрокат, металлический швеллер, оцинкованный швеллер, п-образный профиль, металл
Хотите узнать стоимость или сделать заказ?
Отправьте заявку через форму, представленную ниже.
Мы рассчитаем Ваш заказ максимально быстро.
Вы получите необходимый металл, высокого качества, точно в срок!
С помощью данной формы Вы можете сделать заявку на приобретение металлопроката, труб и изготовление металлоизделий. Перечислите позиции в поле «Сообщение», количество каждого наименования, характеристики, дополнительные требования и т.п. Укажите необходимые услуги по металлообработке, например: резка в размер, цинкование, гибка, рубка и т.д. Для доставки металлопродукции сообщите точный адрес и желаемое время приемки товара. Заявку на бланке компании, реквизиты, спецификации, чертежи, схему проезда и другие электронные документы, можно прикрепить в поле «Файл» формы заказа. В одном сообщении можно отправить до 5 файлов. Допустимые расширения файлов: doc, docx, xls, xlsx, pdf, jpeg, jpg, gif, png. Обработка заявок производиться в рабочие часы офиса.
Для выставления счета нам понадобятся полные реквизиты компании/индивидуального предпринимателя, а если покупка планируется частным лицом, то Ф.И.О. и контактные данные плательщика.
Нажимая кнопку отправить, Вы даете Согласие на обработку персональных данных, в соответствии с Политикой конфиденциальности.
Швеллер ГОСТ 8240-97: сортамент, серии и прочие характеристики
- Статьи
- Новости
Подписаться на наши статьи

Швеллер ГОСТ 8240 – одно из наиболее широко применяемых изделий. Он успешно используется в различных отраслях, что обусловлено широким сортаментом данного вида металлопроката.
ГОСТ 8240 – основные положения
Согласно государственному стандарту 8240, установленному для данного типа продукции, ее высота составляет от 50 до 400 миллиметров, а ширина полок равняется от 32 до 115.
Продукция делится на следующие серии:
Две первые серии швеллера по ГОСТ 8240-97 в поперечном сечении должны соответствовать следующему чертежу:

Оставшиеся серии выполняются по второму варианту:

Для обоих чертежей и всех нижеприведенных таблиц верны следующие условные обозначения:

Таблицы размеров
Все параметры швеллера стального по ГОСТ 8240-97 должны соответствовать следующим данным:
Серия У

Серия С

Серия П

Серия Э

Серия Л

Дополнения
По стандарту внутренний угол уклона полок и радиус скругления на производстве не контролируется и используется исключительно для верного построения калибров.
Толщина наклонных полок замеряется не на кромке, а на расстоянии (b-s)/2 от нее.
Масса погонного метра изделия рассчитывается по вышеуказанным табличным значениям, при этом плотность материала равна 7850 килограмм на метр кубический.
Длины
Швеллер по ГОСТ 8240-97 производится длиной от 2 до 12 метров. При необходимости получения более длинных изделий, они дополнительно согласовываются с производителем.
Длины швеллера делятся на:
- Мерная – конкретное значение, указанное заранее,
- Немерная – любая длина, соответствующая ГОСТу, либо не меньшая указанной ранее,
- Ограниченная пределами немерной,
- Кратная мерной – при условии указания меры и кратности,
- Мерная с частью немерной – немерная часть не должна превышать 5% к общей массе партии,
- Кратная мерной с частью немерной – аналогично предыдущему пункту.
Форма изделия и допуски
Швеллер стальной горячекатаный по ГОСТ 8240-97 производится следующих форм.

Допускаются отклонения в ряде параметров. Их значения установлены в таблице:

Дополнения
- Контроль отклонений по параметру s для серий П и У отсутствует.
- Параметр ƒ для серии Л не должен превышать 0.15*s.
- Замер данного параметра производится согласно вышестоящему рисунку.
- Отклонения параметра t в положительную сторону ограничены предельной погрешностью по массе.
Точность параметров швеллера 8240-97
Перекос полок
Согласно значению перекоса полок ∆ (∆’), замеренному как указано на рисунке выше, изделия делятся на три категории точности. Допустимые ГОСТом значения указаны в следующей таблице:

Длина
Отклонения регулируются исключительно для мерной и кратной длин. Их значения должны быть не более:
- 40 миллиметров для 2-8 метрового швеллера,
- (40+5*(L-8)) миллиметров, но не более 100 миллиметров, если длина изделия превышает 8 метров. В данном случае переменная L является показателем длины швеллера, выраженной в метрах.
Притупление углов
Существуют установленные требования погрешностей притупления углов между стенкой и полками. Для швеллеров до №20 значение погрешности принимается равным 2,5 миллиметра, для последующих номеров – 3,5.
Дополнительные стандарты
Для производства металлопроката, в том числе и швеллера, по ГОСТ 8240-97 необходимы дополнительные документы, устанавливающие значения характеристик и технических условий.
Как мы уже отмечали, швеллеры данного ГОСТа распространены крайне широко, поэтому в дополнение к ним необходимо использование дополнительных стандартов:
- ГОСТ 535-2005 – для изделий из стандартной углеродистой стали.
- ГОСТ 27772 – для металлопроката строительных конструкций.
- ГОСТ 19281 – для изделий высокой прочности из нелегированных и низколегированных сталей.
- ГОСТ 6713-91 и Р 55374 – для швеллеров, использующихся при возведении мостов.
- ГОСТ 5521-93 и Р 52927-2008 – для металлопроката, используемого для морских и речных сооружений.
Видео по теме
1 Область применения
Настоящий стандарт устанавливает сортамент стальных горячекатаных швеллеров общего и специального назначения высотой от 50 до 400 мм и шириной полок от 32 до 115 м.
2 Основные параметры и размеры
2.1 По форме и размерам швеллеры изготовляют следующих серий:
У — с уклоном внутренних граней полок;
П — с параллельными гранями полок;
Э — экономичные с параллельными гранями полок;
Л — легкой серии с параллельными гранями полок;
Условные обозначения величин, характеризующих свойства швеллера:
h — высота (швеллера);
b — ширина полки;
s — толщина стенки;
t — толщина полки;
R — радиус внутреннего закругления;
r — радиус закругления полки;
X — расстояние от оси Y — Y до наружной грани стенки;
Δ — перекос полки;
f — прогиб стенки по высоте сечения профиля;
F — площадь поперечного сечения;
I — момент инерции;
W — момент сопротивления;
i — радиус инерции;
Sx — статический момент полусечения.
2.2 Поперечное сечение швеллеров серий У, С должно соответствовать приведенному на рисунке 1, серий П, Э, Л — на рисунке 2.
2.3 Размеры швеллеров, площадь поперечного сечения, масса 1 м и справочные значения для осей должны соответствовать приведенным в таблицах 1-5.
2.3.1 Площадь поперечного сечения и масса 1 м швеллера вычислены по номинальным размерам, плотность стали принята равной 7,85 г/см 3 .


Таблица 1 — Швеллеры с уклоном внутренних граней полок
Площадь поперечного сечения F , см 2
Справочные значения для осей
Таблица 2 — Швеллеры с параллельными гранями полок
Номер швеллера серии П
Площадь поперечного сечения F , см 2
Справочные значения для осей
Таблица 3 — Швеллеры экономичные с параллельными гранями полок
Номер швеллера серии Э
Площадь поперечного сечения F , см 2
Справочные значения для осей
Таблица 4 — Швеллеры легкой серии с параллельными гранями полок
Номер швеллера серии Л
Площадь поперечного сечения F , см 2
Справочные значения для осей
Таблица 5 — Швеллеры специальные
Номер швеллера серии C
Площадь поперечного сечения F , см 2
Справочные значения для осей
2.3.2 Значения радиусов закругления, уклона внутренних граней полок, указанных на рисунках 1 и 2 и приведенных в таблицах 1-5, используют для построения калибров и на профиле не контролируют.
2.4 Форма швеллера и предельные отклонения по размерам должны соответствовать приведенным на рисунках 1-3 и в таблице 6.
2.4.1 Уклон внутренних граней полок швеллеров серии У должен быть в пределах от 4 % до 10 %.
По соглашению потребителя с изготовителем уклон внутренних граней полок не должен превышать 8 % при h
300 мм и 5 % при h > 300 мм.
2.5 Притупление прямых углов швеллеров до № 20 не должно превышать 2,5 мм, свыше № 20-3,5 мм. Притупление внешних углов не контролируют.
2.6 Швеллеры изготовляют длиной от 2 до 12 м, по соглашению потребителя с изготовителем — длиной свыше 12 м:
— мерной длины с немерной в количестве не более 5 % массы партии;
— кратной мерной длины;
— кратной мерной длины с немерной в количестве не более 5 % массы партии;
ограниченной длины в пределах немерной.

Таблица 6 — Предельные отклонения параметров
Интервал значений параметра
Толщина полки t
Толщина стенки s
Перекос полки Δ при ширине полки b, не более
Прогиб стенки f по высоте h сечения профиля, не более
1 Для швеллеров серии Л прогиб стенки не должен превышать 0,15s.
2 Для швеллеров серий У и П предельные отклонения по толщине стенки не контролируют.
3 Перекос полки Δ и прогиб стенки f швеллера измеряют, как показано на рисунке 3 .
2.7 Предельные отклонения по длине швеллеров мерной и кратной мерной длины не должны превышать:
+40 мм — при длине от 2 до 8 м включ.;
+[40 + 5(l — 8)] мм, но не более 100 мм — при длине св. 8 м,
где l — длина швеллера, м.
2.8 Швеллеры должны быть обрезаны. Косина реза не должна выводить длину швеллеров за предельные отклонения по длине.
Длина отдельного швеллера — это наибольшая длина условно вырезанной штанги с торцами, перпендикулярными к продольной оси.
2.9 Кривизна швеллера в горизонтальной и вертикальной плоскостях не должна превышать 0,2 % длины; по соглашению изготовителя с потребителем — до 0,15 % длины.
2.10 Предельные отклонения по массе не должны превышать ±4 % для партии и ±6 % для отдельного швеллера.
Отклонение от массы — это разность между фактической массой в состоянии поставки и рассчитанной по данным таблиц 1-5.
При расчете массы партии к метражу швеллеров мерной или кратной мерной длины прибавляют 0,5 от суммы предельных отклонений по длине швеллеров в партии.
2.11 Размеры и геометрическую форму швеллера контролируют на расстоянии не менее 500 мм от торца. Высоту швеллера контролируют в плоскости стенки, толщину стенки — у торца профиля.
Ключевые слова: швеллеры горячекатаные, сортамент, параметры, размеры, предельные отклонения, справочные величины
