Предел прочности на срез для стали
Проверочные расчёты при срезе и смятии
Основные понятия. Расчетные формулы.
Лекция 4. Срез и смятие.
Детали, служащие для соединения отдельных элементов машин и строительных конструкций – заклепки, штифты, болты, шпонки – воспринимают нагрузки, перпендикулярные их продольной оси.
Справедливы следующие допущения.
1. В поперечном сечении возникает только один внутренний силовой фактор – поперечная сила Q.
2. Касательные напряжения, возникающие в поперечном сечении, распределены по его площади равномерно.
3. В случае если соединение осуществлено несколькими одинаковыми деталями, принимается, что все они нагружены одинаково.
Условие прочности при срезе (проверочный расчёт):
, (52)
где Q – поперечная сила
(P – общая нагрузка, z – число болтов, заклепок, i – число плоскостей среза крепежной детали)
Fср
– площадь среза одного болта или заклепки, D – диаметр болта или заклёпки.
[τср] – допускаемое напряжение на срез, зависящее от материала соединительных элементов и условий работы конструкции. Принимают [τср]= (0,25…0,35)·σт, где σт – предел текучести.
Также справедливо:
, т.к.
, где n – коэффициент запаса прочности (для стали равный 1,5).
Если толщина соединяемых деталей недостаточна или материал соединяемых деталей более мягкий, чем у болта, штифта и т.д., то стенки отверстий обминаются, и соединение становится ненадежным, происходит смятие. При смятии действуют только нормальные напряжения – σ. Площадь смятия фактическая – это полуцилиндр, расчётная – это проекция полуцилиндра на диаметральную плоскость. Fсм
, где d – диаметр болта или заклёпки,
— минимальная толщина листа (если соединяемые листы разной толщины).
Проверочный расчёт на срез соединительных деталей:
Ниже указанная формула аналогична формуле (52)
,
Q – перерезывающая сила, равная по величине внешней
Где z – количество заклёпок (болтов)
i – количество срезов (равно количеству соединяемых листов минус один)
[τ] = допускаемое касательное напряжение при срезе. Зависит от марки материала заклёпки и от условий работы конструкции.
Проверочный расчёт на смятие соединяемых деталей:
, (53)
Где d – диаметр заклёпки (болта)
— минимальная толщина листа
z – количество заклёпок (болтов)
— допускаемое нормальное напряжение при смятии соединяемых деталей.
Проверочный расчёт при разрыве соединяемых деталей:
, (54)
Где (в — z d) – ширина листа без заклёпок
— минимальная толщина листа
— допускаемое нормальное напряжение при разрыве соединяемой детали.
Расчет выполняется для участка, где максимальное количество соединительных деталей (заклёпок, штифтов, болтов и т.д.).
Проектный расчёт (определение количества заклёпок).
, (55)
(56)
Выбираем максимальное количество заклёпок.
Определение максимально допускаемой нагрузки.
, (57)
, (58)
Из двух значений выбираем наименьшую нагрузку.
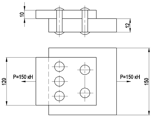
Задача: рассчитать на прочность заклёпочное соединение (на срез, на смятие, на разрыв соединяемого листа).
Растягивающее усилие Р=150Кн.,
допускаемое напряжение среза 
допускаемое напряжение при смятии 
допускаемое напряжение при растяжении
,
общее количество заклёпок z=5 шт. (в одном ряду 3, в другом 2),
диаметр заклёпки
.
соединяемых листа 2, следовательно количество срезов i=1 (см. рис. 19), габаритные размеры указаны в мм.,
минимальная толщина листа 10мм.


1. Выполним проверочный расчет заклёпок на срез

— это значит, что прочность на срез обеспечена.
2. Выполним проверочный расчёт на смятие соединяемых листов

Сминаться будет более тонкий лист, расчетная площадь смятия равна проекции полуцилиндра на диаметральную плоскость. 
— прочность на смятие обеспечена.
3. Выполним проверочный расчёт на растяжение (разрыв соединяемого листа). Разрыв может произойти в месте, где установлено максимальное количество заклёпок.


| | | следующая лекция ==> |
| | | Сопротивление материалов |
Нам важно ваше мнение! Был ли полезен опубликованный материал? Да | Нет
Приложение 1. Допускаемые напряжения для разных видов сталей
Таблица 5. Допускаемые напряжения для углеродистых и низколегированных сталей
| Расчет ная темпе ратура стенки сосуда или аппарата, °С | Допускаемое напряжение [σ], МПа (кгс/см 2 ), для сталей марок | |||||||
|---|---|---|---|---|---|---|---|---|
| ВСт3 | 09Г2С, 16ГС | 20, 20К | 10 | 10Г2, 09Г2 | 17ГС, 17Г1С, 10Г2С1 | |||
| толщина, мм | ||||||||
| до 20 | свыше 20 | до 32 | свыше 32 | до 160 | ||||
| 20 | 154 (1540) | 140 (1400) | 196 (1960) | 183 (1830) | 147 (1470) | 130 (1300) | 180 (1800) | 183 (1830) |
| 100 | 149 (1490) | 134 (1340) | 177 (1770) | 160 (1600) | 142 (1420) | 125 (1250) | 160 (1600) | 160 (1600) |
| 150 | 145 (1450) | 131 (1310) | 171 (1710) | 154 (1540) | 139 (1390) | 122 (1220) | 154 (1540) | 154 (1540) |
| 200 | 142 (1420) | 126 (1260) | 165 (1650) | 148 (1480) | 136 (1360) | 118 (1180) | 148 (1480) | 148 (1480) |
| 250 | 131 (1310) | 120 (1200) | 162 (1620) | 145 (1450) | 132 (1320) | 112 (1120) | 145 (1450) | 145 (1450) |
| 300 | 115 (1150) | 108 (1080) | 151 (1510) | 134 (1340) | 119 (1190) | 100 (1000) | 134 (1340) | 134 (1340) |
| 350 | 105 (1050) | 98 (980) | 140 (1400) | 123 (1230) | 106 (1060) | 88 (880) | 123 (1230) | 123 (1230) |
| 375 | 93 (930) | 93 (930) | 133 (1330) | 116 (1160) | 98 (980) | 82 (820) | 108 (1080) | 116 (1160) |
| 400 | 85 (850) | 85 (850) | 122 (1220) | 105 (1050) | 92 (920) | 77 (770) | 92 (920) | 105 (1050) |
| 410 | 81 (810) | 81 (810) | 104 (1040) | 104 (1040) | 86 (860) | 75 (750) | 86 (860) | 104 (1040) |
| 420 | 75 (750) | 75 (750) | 92 (920) | 92 (920) | 80 (800) | 72 (720) | 80 (800) | 92 (920) |
| 430 | 71* (710) | 71* (710) | 86 (860) | 86 (860) | 75 (750) | 68 (680) | 75 (750) | 86 (860) |
| 440 | — | — | 78 (780) | 78 (780) | 67 (670) | 60 (600) | 67 (670) | 78 (780) |
| 450 | — | — | 71 (710) | 71 (710) | 61 (610) | 53 (530) | 61 (610) | 71 (710) |
| 460 | — | — | 64 (640) | 64 (640) | 55 (550) | 47 (470) | 55 (550) | 64 (640) |
| 470 | — | — | 56 (560) | 56 (560) | 49 (490) | 42 (420) | 49 (490) | 56 (560) |
| 480 | — | — | 53 (530) | 53 (530) | 46* (460) | 37 (370) | 46** (460) | 53 (530) |
| ________________ * Для расчетной температуры стенки 425 °С. | ||||||||
Примечания:
1. При расчетных температурах ниже 20 °С допускаемые напряжения принимают такими же, как при 20 °С, при условии допустимого применения материала при данной температуре.
2. Для промежуточных расчетных температур стенки допускаемое напряжение определяют линейной интерполяцией с округлением результатов до 0,5 МПа (5 кгс/см 2 ) в сторону меньшего значения.
3. При расчетных температурах ниже 200 °С сталь марок 12МХ, 12ХМ, 15ХМ применять не рекомендуется.
Таблица 7 * Допускаемые напряжения для жаропрочных, жаростойких и коррозионностойких сталей аустенитного класса
| Расчетная температура стенки сосуда или аппарата, °С | Допускаемое напряжение[σ], МПа (кгс/см 2 ), для сталей марок | ||||
|---|---|---|---|---|---|
| 03Х21Н21М4ГБ | 03Х18Н11 | 03Х17Н14М3 | 08Х18Н10Т, 08Х18Н12Т, 08Х17Н13М2Т, 08Х17Н15М3Т | 12Х18Н10Т, 12Х18Н12Т, 10Х17Н13М2Т, 10Х17Н13М3Т | |
| 20 | 180 (1800) | 160 (1600) | 153 (1530) | 168 (1680) | 184 (1840) |
| 100 | 173 (1730) | 133 (1330) | 140 (1400) | 156 (1560) | 174 (1740) |
| 150 | 171 (1710) | 125 (1250) | 130 (1300) | 148 (1480) | 168 (1680) |
| 200 | 171 (1710) | 120 (1200) | 120 (1200) | 140 (1400) | 160 (1600) |
| 250 | 167 (1670) | 115 (1150) | 113 (1130) | 132 (1320) | 154 (1540) |
| 300 | 149 (1490) | 112 (1120) | 103 (1030) | 123 (1230) | 148 (1480) |
| 350 | 143 (1430) | 108 (1080) | 101 (1010) | 113 (1130) | 144 (1440) |
| 375 | 141 (1410) | 107 (1070) | 90 (900) | 108 (1080) | 140 (1400) |
| 400 | 140 (1400) | 107 (1070) | 87 (870) | 103 (1030) | 137 (1370) |
| 410 | — | 107 (1070) | 83 (830) | 102 (1020) | 136 (1360) |
| 420 | — | 107 (1070) | 82 (820) | 101 (1010) | 135 (1350) |
| 430 | — | 107 (1070) | 81 (810) | 100,5 (1005) | 134 (1340) |
| 440 | — | 107 (1070) | 81 (810) | 100 (1000) | 133 (1330) |
| 450 | — | 107 (1070) | 80 (800) | 99 (990) | 132 (1320) |
| 460 | — | — | — | 98 (980) | 131 (1310) |
| 470 | — | — | — | 97,5 (975) | 130 (1300) |
| 480 | — | — | — | 97 (970) | 129 (1290) |
| 490 | — | — | — | 96 (960) | 128 (1280) |
| 500 | — | — | — | 95 (950) | 127 (1270) |
| 510 | — | — | — | 94 (940) | 126 (1260) |
| 520 | — | — | — | 79 (790) | 125 (1250) |
| 530 | — | — | — | 79 (790) | 124 (1240) |
| 540 | — | — | — | 78 (780) | 111 (1110) |
| 550 | — | — | — | 76 (760) | 111 (1110) |
| 560 | — | — | — | 73 (730) | 101 (1010) |
| 570 | — | — | — | 69 (690) | 97 (970) |
| 580 | — | — | — | 65 (650) | 90 (900) |
| 590 | — | — | — | 61 (610) | 81 (810) |
| 600 | — | — | — | 57 (570) | 74 (740) |
| 610 | — | — | — | — | 68 (680) |
| 620 | — | — | — | — | 62 (620) |
| 630 | — | — | — | — | 57 (570) |
| 640 | — | — | — | — | 52 (520) |
| 650 | — | — | — | — | 48 (480) |
| 660 | — | — | — | — | 45 (450) |
| 670 | — | — | — | — | 42 (420) |
| 680 | — | — | — | — | 38 (380) |
| 690 | — | — | — | — | 34 (340) |
| 700 | — | — | — | — | 30 (300) |
_______________ * Данные таблицы соответствует оригиналу. — Примечание изготовителя базы данных.
Примечания:
1. При расчетных температурах ниже 20 °С допускаемые напряжения принимают такими же, как и при 20 °С, при условии допустимого применения материала при данной температуре.
2. Для промежуточных расчетных температур стенки допускаемое напряжение определяют интерполяцией двух ближайших значений, указанных в таблице, с округлением результатов до 0,5 МПа (5 кгс/см 2 ) в сторону меньшего значения.
3. Для поковок из стали марок 12Х18Н10Т, 10Х17Н13М2Т, 10Х17Н13М3Т допускаемые напряжения, приведенные в табл.7 при температурах до 550 °С, умножают на 0,83.
4. Для сортового проката из стали марок 12Х18Н10Т, 10Х17Н13М2Т, 10Х17Н13М3Т допускаемые напряжения, приведенные в табл.7 при температурах до 550 °С, умножают на отношение
,
где Rp0,2* — предел текучести материала сортового проката определен по ГОСТ 5949; для сортового проката из стали марки 03Х18Н11 допускаемые напряжения умножаются на 0,8.
5. Для поковок и сортового проката из стали марки 08Х18Н10Т допускаемые напряжения, приведенные в табл.7 при температурах до 550 °С, умножают на 0,95.
6. Для поковок из стали марки 03Х17Н14М3 допускаемые напряжения, приведенные в табл.7, умножают на 0,9.
7. Для поковок из стали марки 03Х18Н11 допускаемые напряжения, приведенные в табл.7, умножают на 0,9; для сортового проката из стали марки 03Х18Н11 допускаемые напряжения умножают на 0,8.
8. Для труб из стали марки 03Х21Н21М4ГБ (ЗИ-35) допускаемые напряжения, приведенные в табл.7, умножают на 0,88.
9. Для поковок из стали марки 03Х21Н21М4ГБ (ЗИ-35) допускаемые напряжения, приведенные в табл.7, умножают на отношение
,
где Rp0,2* — предел текучести материала поковок, определен по ГОСТ 25054 (по согласованию).
Таблица 8. Допускаемые напряжения для жаропрочных, жаростойких и коррозионностойких сталей аустенитного и аустенито-ферритного класса
| Расчетная температура стенки сосуда или аппарата, °С | Допускаемое напряжение [σ], МПа (кгс/см 2 ), для сталей марок | |||||
|---|---|---|---|---|---|---|
| 08Х18Г8Н2Т (КО-3) | 07Х13АГ20 (ЧС-46) | 02Х8Н22С6 (ЭП-794) | 15Х18Н12С4ТЮ (ЭИ-654) | 06ХН28МДТ, 03ХН28МДТ | 08Х22Н6Т, 08Х21Н6М2Т | |
| 20 | 230 (2300) | 233 (2330) | 133 (1330) | 233 (2330) | 147 (1470) | 233 (2330) |
| 100 | 206 (2060) | 173 (1730) | 106,5 (1065) | 220 (2200) | 138 (1380) | 200 (2000) |
| 150 | 190 (1900) | 153 (1530) | 100 (1000) | 206,5 (2065) | 130 (1300) | 193 (1930) |
| 200 | 175 (1750) | 133 (1330) | 90 (900) | 200 (2000) | 124 (1240) | 188,5 (1885) |
| 250 | 160 (1600) | 127 (1270) | 83 (830) | 186,5 (1865) | 117 (1170) | 166,5 (1665) |
| 300 | 144 (1440) | 120 (1200) | 76,5 (765) | 180 (1800) | 110 (1100) | 160 (1600) |
| 350 | — | 113 (1130) | — | — | 107 (1070) | |
| 375 | — | 110 (1100) | — | — | 105 (1050) | |
| 400 | — | 107 (1070) | — | — | 103 (1030) | |
Примечания:
1. При расчетных температурах ниже 20 °С допускаемые напряжения принимают такими же, как и при 20 °С, при условии допустимого применения материала при данной температуре.
2. Для промежуточных расчетных температур стенки допускаемое напряжение определяют интерполяцией двух ближайших значений, указанных в таблице, с округлением до 0,5 МПа (5 кгс/см 2 ) в сторону меньшего значения.
Предел прочности стали
Прочность металлических конструкций – один из важнейших параметров, определяющих их надежность и безопасность. Издревле вопросы прочности решались опытным путем — если какое-либо изделие ломалось — то следующее делали толще и массивнее. С 17 века ученые начали планомерное исследование проблемы, прочностные параметры материалов и конструкций из них можно рассчитать заранее, на этапе проектирования. Металлурги разработали добавки, влияющие на прочность стальных сплавов.

Предел прочности
Предел прочности — это максимальное значение напряжений, испытываемых материалом до того, как он начнет разрушаться. Его физический смысл определяет усилие растяжения, которое нужно приложить к стрежневидному образцу определенного сечения, чтобы разорвать его.
Каким образом производится испытание на прочность
Прочностные испытания на сопротивление разрыву проводятся на специальных испытательных стендах. В них неподвижно закрепляется один конец испытываемого образца, а к другому присоединяют крепление привода, электромеханического или гидравлического. Этот привод создает плавно увеличивающее усилие, действующее на разрыв образца, или же на его изгиб или скручивание.

Испытание на разрыв
Электронная система контроля фиксирует усилие растяжения и относительное удлинение, и другие виды деформации образца.
Виды пределов прочности
Предел прочности — один из главных механических параметров стали, равно как и любого другого конструкционного материала.
Эта величина используется при прочностных расчетах деталей и конструкций, судя по ней, решают, применим ли данный материал в конкретной сфере или нужно подбирать более прочный.
Различают следующие виды предела прочности при:
- сжатии — определяет способность материала сопротивляться давлению внешней силы;
- изгибе — влияет на гибкость деталей;
- кручении – показывает, насколько материал пригоден для нагруженных приводных валов, передающих крутящий момент;
- растяжении.

Виды испытаний прочности материалов
Научное название параметра, используемое в стандартах и других официальных документах — временное сопротивление разрыву.
Предел прочности стали
На сегодняшний день сталь все еще является наиболее применяемым конструкционным материалом, понемногу уступая свои позиции различным пластмассам и композитным материалам. От корректного расчета пределов прочности металла зависит его долговечность, надежность и безопасность в эксплуатации.
Предел прочности стали зависит от ее марки и изменяется в пределах от 300 Мпа у обычной низкоуглеродистой конструкционной стали до 900 Мпа у специальных высоколегированных марок.
На значение параметра влияют:
- химический состав сплава;
- термические процедуры, способствующие упрочнению материалов: закалка, отпуск, отжиг и т.д.
Некоторые примеси снижают прочность, и от них стараются избавляться на этапе отливки и проката, другие, наоборот, повышают. Их специально добавляют в состав сплава.
Условный предел текучести
Кроме предела прочности, в инженерных расчетах широко применяется связанное с ним понятие-предел текучести, обозначаемый σт. Он равен величине напряжения сопротивления разрыву, которое необходимо создать в материале, для того, чтобы деформация продолжала расти без наращивания нагрузки. Это состояние материала непосредственно предшествует его разрушению.
На микроуровне при таких напряжениях начинают рваться межатомные связи в кристаллической решетке, а на оставшиеся связи увеличивается удельная нагрузка.
Общие сведения и характеристики сталей
С точки зрения конструктора, наибольшую важность для сплавов, работающих в обычных условиях, имеют физико-механические параметры стали. В отдельных случаях, когда изделию предстоит работать в условиях экстремально высоких или низких температур, высокого давления, повышенной влажности, под воздействием агрессивных сред — не меньшую важность приобретают и химические свойства стали. Как физико-механические, так и химические свойства сплавов во многом определяются их химическим составом.
Влияние содержание углерода на свойства сталей
По мере увеличения процентной доли углерода происходит снижение пластичности вещества с одновременным ростом прочности и твердости. Этот эффект наблюдается до приблизительно 1% доли, далее начинается снижение прочностных характеристик.
Повышение доли углерода также повышает порог хладоемкости, это используется при создании морозоустойчивых и криогенных марок.

Влияние углерода на механические свойства стали
Рост содержания С приводит к ухудшению литейных свойств, отрицательно влияет на способность материала к механической обработке.
Добавки марганца и кремния
Mn содержится в большинстве марок стали. Его применяют для вытеснения из расплава кислорода и серы. Рост содержания Mn до определенного предела (2%) улучшает такие параметры обрабатываемости, как ковкость и свариваемость. После этого предела дальнейшее увеличение содержания ведет к образованию трещин при термообработке.
Влияние кремния на свойства сталей
Si применяется в роли раскислителя, используемого при выплавке стальных сплавов и определяет тип стали. В спокойных высокоуглеродистых марках должно содержаться не более 0,6% кремния. Для полуспокойных марок этот предел еще ниже — 0,1 %.
При производстве ферритов кремний увеличивает их прочностные параметры, не понижая пластичности. Этот эффект сохраняется до порогового содержания в 0,4%.

Влияние легирующих добавок на свойства стали
В сочетании с Mn или Mo кремний способствует росту закаливаемости, а вместе с Сг и Ni повышает коррозионную устойчивость сплавов.
Азот и кислород в сплаве
Эти самые распространенные в земной атмосфере газы вредно влияют на прочностные свойства. Образуемые ими соединения в виде включений в кристаллическую структуру существенно снижают прочностные параметры и пластичность.
Легирующие добавки в составе сплавов
Это вещества, намеренно добавляемые в расплав для улучшения свойств сплава и доведения его параметров до требуемых. Одни из них добавляются в больших количествах (более процента), другие — в очень малых. Наиболее часто применяю следующие легирующие добавки:
- Хром. Применяется для повышения прокаливаемости и твердости. Доля – 0,8-0,2%.
- Бор. Улучшает хладноломкость и радиационную стойкость. Доля – 0,003%.
- Титан. Добавляется для улучшения структуры Cr-Mn сплавов. Доля – 0,1%.
- Молибден. Повышает прочностные характеристики и коррозионную стойкость, снижает хрупкость. Доля – 0,15-0,45%.
- Ванадий. Улучшает прочностные параметры и упругость. Доля – 0,1-0,3%.
- Никель. Способствует росту прочностных характеристик и прокаливаемости, однако при этом ведет к увеличению хрупкости. Этот эффект компенсируют одновременным добавлением молибдена.
Металлурги используют и более сложные комбинации легирующих добавок, добиваясь получения уникальных сочетаний физико-механических свойств стали. Стоимость таких марок в несколько раз (а то и десятков раз) превышает стоимость обычных низкоуглеродистых сталей. Применяются они для особо ответственных конструкций и узлов.
Предел прочности стали при растяжении гост
Стали: допускаемые напряжения и механические свойства материалов
Допускаемые напряжения принимаем по нормам, систематизированных в виде таблиц, что удобнее для практического применения при проектировочных и проверочных прочностных расчетов.
Примечание. Условные обозначения термической обработки:
О — отжиг; Н — нормализация; У — улучшение; Ц — цементация; ТВЧ — закалка с нагревом т.в.ч.; В — закалка с охлаждением в воде; М — закалка с охлаждением в масле; НВ — твердость по Бринеллю. Число после М, В, Н или ТВЧ — среднее значение твердости по HRC.
*) Римскими цифрами обозначен вид нагрузки (см. таблицу 1): I — статическая; II — переменная, действующая от нуля до максимума и от максимума до нуля (пульсирующая), III — знакопеременная (симметричная).
Допускаемые напряжения для углеродистых сталей обыкновенного качества в горячекатаном состоянии
Механические свойства и допустимые напряжения углеродистых качественных конструкционных сталей
Примечание:
Марки стали 20Г; 30Г; 40Г; 50Г; 65Г — старые марки стали, действующие до 1988 г. Буква Г в них обозначала содержание марганца около 1 %.
Механические свойства и допускаемые напряжения легированных конструкционных сталей
Механические свойства и допускаемые напряжения для отливок из углеродистых и легированных сталей
Предел прочности материалов (разрыв металлов) при растяжении и сжатии: что это такое, виды, фото
- By: Семантика
- Без рубрики
- : 0
- Предел прочности
- Как производится испытание на прочность
- Виды ПП
- Предел прочности на растяжение стали
- Предел текучести и временное сопротивление
- Усталость стали
- Предел пропорциональности
- Как определяют свойства металлов
- Механические свойства
- Классы прочности и их обозначения
- Формула удельной прочности
- Использование свойств металлов
- Пути увеличения прочностных характеристик
При строительстве объектов обязательно необходимо использовать расчеты, включающие подробные характеристики стройматериалов. В обратном случае на опору может быть возложена слишком большая, непосильная нагрузка, из-за чего произойдет разрушения. Сегодня поговорим о пределе прочности материала при разрыве и натяжении, расскажем, что это такое и как работать с этим показанием.
Предел прочности
ПП — будем использовать это сокращение, а также можно говорить об официальном сочетании «временное сопротивление» — это максимальная механическая сила, которая может быть применена к объекту до начала его разрушения. В данном случае мы не говорим о химическом воздействии, но подразумеваем, что нагревание, неблагоприятные климатические условия, определенная среда могут либо улучшать свойства металла (а также дерева, пластмассы), либо ухудшать.
Ни один инженер не использует при проектировании крайние значения, потому что необходимо оставить допустимую погрешность — на окружающие факторы, на длительность эксплуатации. Рассказали, что называется пределом прочности, теперь перейдем к особенностям определения.
Как производится испытание на прочность
Изначально особенных мероприятий не было. Люди брали предмет, использовали его, а как только он ломался, анализировали поломку и снижали нагрузку на аналогичное изделие. Теперь процедура гораздо сложнее, однако, до настоящего времени самый объективный способ узнать ПП — эмпирический путь, то есть опыты и эксперименты.
Все испытания проходят в специальных условиях с большим количеством точной техники, которая фиксирует состояние, характеристики подопытного материала. Обычно он закреплен и испытывает различные воздействия — растяжение, сжатие. Их оказывают инструменты с высокой точностью — отмечается каждая тысячная ньютона из прикладываемой силы. Одновременно с этим фиксируется каждая деформация, когда она происходит. Еще один метод не лабораторный, а вычислительный. Но обычно математический анализ используется вместе с испытаниями.
Определение термина
Образец растягивается на испытательной машине. При этом сначала он удлиняется в размере, а поперечное сечение становится уже, а затем образуется шейка — место, где самый тонкий диаметр, именно здесь заготовка разорвется. Это актуально для вязких сплавов, в то время как хрупкие, к ним относится чугун и твердая сталь, растягиваются совсем незначительно без образования шейки. Подробнее посмотрим на видео:
Виды ПП
Временное сопротивление разрыву определяют по различным воздействиям, согласно этому его классифицируют по:
- сжатию — на образец действуют механические силы давления;
- изгибу — деталь сгибают в различные стороны;
- кручению — проверяется пригодность для использования в качестве крутящегося вала;
- растяжению — подробный пример проверки мы привели выше.
Предел прочности на растяжение стали
Стальные конструкции давно заменили прочие материалы, так как они обладают отличными эксплуатационными характеристиками — долговечностью, надежностью и безопасностью. В зависимости от применяемой технологии, он подразделяется на марки. От самой обычной с ПП в 300 Мпа, до наиболее твердой с высоким содержанием углерода — 900 Мпа. Это зависит от двух показателей:
- Какие способы термообработки применялись — отжиг, закалка, криообработка.
- Какие примеси содержатся в составе. Одни считаются вредными, от них избавляются для чистоты сплава, а вторые добавляют для укрепления.
Предел текучести и временное сопротивление
Новый термин обозначается в технической литературе буквой Т. Показатель актуален исключительно для пластичных материалов и обозначает, как долго может деформироваться образец без увеличения на него внешней нагрузки.
Обычно после преодоления этого порога кристаллическая решетка сильно меняется, перестраивается. Результатом выступают пластические деформации. Они не являются нежелательными, напротив, происходит самоупрочнение металла.
Усталость стали
Второе название — предел выносливости. Его обозначают буквой R. Это аналогичный показатель, то есть он определяет, какая сила может воздействовать на элемент, но не в единичном случае, а в цикле. То есть на подопытный эталон циклично, раз за разом действуют определенные давления. Среднее количество повторений — 10 в седьмой степени. Именно столько раз металл должен без деформаций и потери своих характеристик выдержать воздействие.
Если проводить эмпирические испытания, то потребуется множество времени — нужно проверить все значения силы, прикладывая ее по множеству циклов. Поэтому обычно коэффициент рассчитывается математически.
Предел пропорциональности
Это показатель, определяющий длительность оказываемых нагрузок к деформации тела. При этом оба значения должны изменяться в разный степени по закону Гука. Простыми словами: чем больше оказывается сжатие (растяжение), тем сильнее деформируется образец.
Значение каждого материала находится между абсолютной и классической упругостью. То есть если изменения обратимы, после того как сила перестала действовать (форма стала прежняя — пример, сжатие пружины), то такие параметры нельзя называть пропорциональными.
Как определяют свойства металлов
Проверяют не только то, что называют пределом прочности, но и остальные характеристики стали, например, твердость. Испытания проводят следующим образом: в образец вдавливают шарик или конус из алмаза — наиболее прочной породы. Чем крепче материал, тем меньше след остается. Более глубокие, с широким диаметром отпечатки остаются на мягких сплавах. Еще один опыт — на удар. Воздействие оказывается только после заранее сделанного надреза на заготовке. То есть разрушение проверяется для наиболее уязвимого участка.
Механические свойства
Различают 5 характеристик:
- Предел прочности стали при растяжении и на разрыв это — временное сопротивление внешним силам, напряжение, возникающее внутри.
- Пластичность — это возможность деформироваться, менять форму, но сохранять внутреннюю структуру.
- Твердость — готовность встретиться с более твердым материалом и не получить значительных ущербов.
- Ударная вязкость — способность сопротивляться ударам.
- Усталость — длительность сохранения качеств под воздействием цикличных нагрузок.
Классы прочности и их обозначения
Все категории записаны в нормативных документах — ГОСТах, по ним все российские предприниматели изготавливают любой металлопрокат и прочие металлические изделия. Вот соответствие обозначения и параметра в таблице:
| Класс | Временное сопротивление, Н/мм2 |
| 265 | 430 |
| 295 | 430 |
| 315 | 450 |
| 325 | 450 |
| 345 | 490 |
| 355 | 490 |
| 375 | 510 |
| 390 | 510 |
| 440 | 590 |
Видим, что для некоторых классов остается одинаковыми показатели ПП, это объясняется тем, что при равных значениях у них может различаться текучесть или относительное удлинение. В зависимости от этого возможна различная максимальная толщина металлопроката.
Формула удельной прочности
R с индексом «у» — обозначение данного параметра в физике. Рассчитывается как ПП (в записи — R) поделенное на плотность — d. То есть этот расчет имеет практическую ценность и учитывает теоретические знания о свойствах стали для применения в жизни. Инженеры могут сказать, как меняется временное сопротивление в зависимости от массы, объема изделия. Логично, что чем тоньше лист, тем легче его деформировать.
Формула выглядит так:
Здесь будет логичным объяснить, в чем измеряется удельный предел прочности. В Н/мм2 — это вытекает из предложенного алгоритма вычисления.
Использование свойств металлов
Два важных показателя — пластичность и ПП — взаимосвязаны. Материалы с большим первым параметром намного медленнее разрушаются. Они хорошо меняют свою форму, подвергаются различным видам металлообработке, в том числе объемной штамповке — поэтому из листов делают элементы кузова автомобиля. При малой пластичности сплавы называют хрупкими. Они могут быть очень твердыми, но при этом плохо тянуться, изгибаться и деформироваться, например, титан.
Сопротивление
- Нормативное — прописано для каждого типа стали в ГОСТах.
- Расчетное — получается после вычислений в конкретном проекте.
Первый вариант скорее теоретический, для практических задач используется второй.
Пути увеличения прочностных характеристик
Есть несколько способов это сделать, два основных:
- добавка примесей;
- термообработка, например, закал.
Иногда они используются вместе.
Общие сведения о сталях
Все они обладают химическими свойствами и механическими. Ниже подробнее поговорим о способах увеличения прочности, но для начала представим схему, на которой представлены все разновидности:
Также посмотрим более подробное видео:
Все они обладают химическими свойствами и механическими. Ниже подробнее поговорим о способах увеличения прочности, но для начала представим схему, на которой представлены все разновидности:
Углерод
Чем больше углеродность вещества, тем выше твердость и меньше пластичность. Но в составе не должно быть более 1% химического компонента, так как большее количество приводит к обратному эффекту.
Марганец
Очень полезная добавка, но при массовой доле не более двух процентов. Обычно Mn добавляют для улучшения качеств обрабатываемости. Материал становится более подвержен ковке и свариванию. Это объясняется вытеснением кислорода и серы.
Кремний
Эффективно повышает прочностные характеристики, при этом не затрагивая пластичность. Максимальное содержание — 0,6%, иногда достаточно и 0,1%. Хорошо сочетается с другими примесями, в совокупности можно увеличить устойчивость к коррозии.
Азот и кислород
Если они попадают в сплав, но ухудшают его характеристики, при изготовлении от них пытаются избавиться.
Легирующие добавки
Также можно встретить следующие примеси:
- Хром — увеличивает твёрдость.
- Молибден — защищает от ржавчины.
- Ванадий — для упругости.
- Никель — хорошо влияет на прокаливаемость, но может привести к хрупкости.
Эти и другие химические вещества должны применяться в строгих пропорциях в соответствии с формулами. В статье мы рассказали про предел прочности (кратковременное сопротивление) — что это, и как с ним работать. Также дали несколько таблиц, которым можно пользоваться при работе. В качестве завершения, давайте посмотрим видеоролик:
Чтобы уточнить интересующую вас информацию, свяжитесь с нашими менеджерами по телефонам 8 (908) 135-59-82; (473) 239-65-79; 8 (800) 707-53-38. Они ответят на все ваши вопросы.
Онлайн калькулятор по определению допускаемых напряжений материалов: сталей и сплавов алюминия, меди и титана.
Калькулятор онлайн определяет расчетные допускаемые напряжения σ в зависимости от расчетной температуры для различных марок материалов следующих типов: углеродистая сталь, хромистая сталь, сталь аустенитного класса, сталь аустенито-ферритного класса, алюминий и его сплавы, медь и ее сплавы, титан и его сплавы согласно ГОСТ-52857.1-2007 [1].
| Исходные данные: | |
| Расчетная температура среды Т, °С | |
| Тип материала | углеродистая сталь хромистая сталь сталь аустенитного класса сталь аустенито-ферритного класса алюминий и его сплав медь и ее сплавы титан и его сплавы |
| Марка материала | |
| Решение: | |
| Допускаемое напряжение материала [σ], МПа | определение допускаемого напряжения |
Помощь на развитие проекта premierdevelopment.ru
Send mail и мы будем знать, что движемся в правильном направлении.
Спасибо, что не прошели мимо!
I. Методика расчета:
Допускаемые напряжения были определены согласно ГОСТ-52857.1-2007 [1].
для углеродистых и низколегированных сталей
для жаропрочных, жаростойких и коррозионно-стойких сталей аустенитного класса
Для расчетного срока эксплуатации до 2*10 5 ч допускаемое напряжение, расположенное ниже горизонтальной черты, умножают на коэффициент 0,9 при температуре Re/20 — минимальное значение предела текучести при температуре 20 °C, МПа; Rр0,2/20 — минимальное значение условного предела текучести при остаточном удлинении 0,2% при температуре 20 °С, МПа. допускаемое
напряжение — наибольшие напряжения, которые можно допустить в конструкции при условии его безопасной, надежной и долговечной работы. Значение допускаемого напряжения устанавливается путем деления предела прочности, предела текучести и пр. на величину, большую единицы, называемую коэффициентом запаса. расчетная
температура — температура стенки оборудования или трубопровода, равная максимальному среднеарифметическому значению температур на его наружной и внутренней поверхностях в одном сечении при нормальных условиях эксплуатации (для частей корпусов ядерных реакторов расчетная температура определяется с учетом внутренних тепловыделений как среднеинтегральное значение распределения температур по толщине стенки корпуса (ПНАЭ Г-7-002-86, п.2.2; ПНАЭ Г-7-008-89, прил.1).
Расчетная температура
- [1],п.5.1. Расчетную температуру используют для определения физико-механических характеристик материала и допускаемых напряжений, а также при расчете на прочность с учетом температурных воздействий.
- [1],п.5.2. Расчетную температуру определяют на основании теплотехнических расчетов или результатов испытаний, или опыта эксплуатации аналогичных сосудов.
- За расчетную температуру стенки сосуда или аппарата принимают наибольшую температуру стенки. При температуре ниже 20 °С за расчетную температуру при определении допускаемых напряжений принимают температуру 20 °С.
- [1],п.5.3. Если невозможно провести тепловые расчеты или измерения и если во время эксплуатации температура стенки повышается до температуры среды, соприкасающейся со стенкой, то за расчетную температуру следует принимать наибольшую температуру среды, но не ниже 20 °С.
- При обогреве открытым пламенем, отработанными газами или электронагревателями расчетную температуру принимают равной температуре среды, увеличенной на 20 °С при закрытом обогреве и на 50 °С при прямом обогреве, если нет более точных данных.
- [1],п.5.4. Если сосуд или аппарат эксплуатируются при нескольких различных режимах нагружения или разные элементы аппарата работают в разных условиях, для каждого режима можно определить свою расчетную температуру (ГОСТ-52857.1-2007, п.5).
Блок исходных данных выделен желтым цветом , блок промежуточных вычислений выделен голубым цветом , блок решения выделен зеленым цветом .
